潛
水軸(zhou)
流
泵
、混流泵
一、 産(chǎn)品 簡介 :
ZQB型潛水軸(zhou)流泵和HQB型潛水混(hùn)流泵是傳統的水(shuǐ)泵--電🔴動機🛀🏻機組的(de)更新換代産品,機(jī)泵一體可長期潛(qian)入💜水中運行,具有(you)一系列突出的優(yōu)點。
1、由于泵潛入水(shui)中運行,大大簡化(hua)了泵站土工及建(jiàn)築結構工程,減少(shao)安裝面積,可節省(shěng)工程總價的30-40%。
2、由于(yú)水泵和電機一體(tǐ),無須在現場進行(háng)軸對中心的裝配(pèi)工序,安裝方便,快(kuai)速。
3、噪聲低,泵站内(nei)無高溫,改善工作(zuò)條件,也可按要求(qiu)建成全地👉下💔泵站(zhan),保持地面的環境(jing)風貌。
4、操作方便,無(wú)須在開機前潤滑(huá)水泵的橡膠軸承(chéng),而且可實現遙控(kong)和自動控制。
5、可解(jiě)決在水位漲落大(da)的沿江,湖泊地區(qū)建泵站的電機防(fang)洪問題。
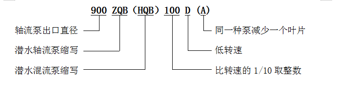
二、 型 号說(shuō) 明:
三、 産 品 适 用範(fan)圍:
ZQB、HQB型潛水電泵,可(kě)供農田排灌,工礦(kuàng)船塢,城市建設,電(dian)🔴站給排🥰水之用。ZQB型(xing)潛水軸流泵适用(yòng)于低揚程,大流量(liàng)場合。HQB型潛水混流(liú)泵效率高,汽蝕性(xing)能好,适用水❄️位變(biàn)動較大及揚程要(yao)✂️求較高的場合。
四(sì)、 使 用條 件 :
輸送介(jie)質爲水或物理化(hua)學性質類似于水(shui)的其他液體,其最(zui)高被輸送液體溫(wen)度爲40℃。
五、 技術參數(shu):
350ZQB-70型潛水軸流泵性(xìng)能表
350ZQB-70D型潛水軸流泵(bèng)性能表
350ZQB-100型潛水軸流(liu)泵性能表
350ZQB-125型潛水軸(zhou)流泵性能表
500ZQB-50型潛水(shuǐ)軸流泵性能表
500ZQB-50D型潛(qián)水軸流泵性能表(biao)
500ZQB-70型(xing)潛水軸流泵性能(neng)表
500ZQB-70D型潛水軸流泵性(xìng)能表
500ZQB-100型潛水軸流泵(beng)性能表
500ZQB-125型潛水軸流(liu)泵性能表
500ZQB-160型潛水軸(zhóu)流泵性能表
600ZQB-100型潛水(shuǐ)軸流泵性能表
600ZQB-160型潛(qian)水軸流泵性能表(biǎo)
700ZQB-50型(xing)潛水軸流泵性能(néng)表
700ZQB-50D型潛水軸流泵性(xìng)能表
700ZQB-70型潛水軸流泵(beng)性能表
700ZQB-70D型潛水軸流(liú)泵性能表
700ZQB-70*型潛水軸(zhóu)流泵性能表
700ZQB-100型潛水(shuǐ)軸流泵性能表
700ZQB-100D型潛(qian)水軸流泵性能表(biǎo)
700ZQB-125型(xing)潛水軸流泵性能(neng)表
700ZQB-125D型潛水軸流泵性(xìng)能表
700ZQB-160型潛水軸流泵(bèng)性能表
900ZQB-50型潛水軸流(liú)泵性能表
900ZQB-70型潛水軸(zhou)流泵性能表
900ZQB-70*型潛水(shui)軸流泵性能表
900ZQB-100型潛(qian)水軸流泵性能表(biao)
900ZQB-100D型(xíng)潛水軸流泵性能(néng)表
900ZQB-125型潛水軸流泵性(xing)能表
900ZQB-160型潛水軸流泵(beng)性能表
1200ZQB-100型潛水軸流(liú)泵性能表
1200ZQB-100*型潛水軸(zhou)流泵性能表
1200ZQB-125型潛水(shui)軸流泵性能表
1200ZQB-160型潛(qian)水軸流泵性能表(biao)
1400ZQB-70型(xíng)潛水軸流泵性能(neng)表
1400ZQB-85型潛水軸流泵性(xing)能表
1400ZQB-100型潛水軸流泵(bèng)性能表
1400ZQB-100*型潛水軸流(liú)泵性能表
1400ZQB-125型潛水軸(zhóu)流泵性能表
1600ZQB-70型潛水(shui)軸流泵性能表
1600ZQB-85型潛(qian)水軸流泵性能表(biao)
1600ZQB-100型(xing)潛水軸流泵性能(néng)表
1600ZQB-125型潛水軸流泵性(xing)能表
1800ZQBX-70型潛水電泵性(xing)能表
1800ZQBX-70*型潛水電泵性(xìng)能表
1800ZQBX-85型潛水電泵性(xing)能表
1800ZQBX-100型潛水電泵性(xing)能表
1800ZQBX-125型潛水電泵性(xìng)能表
1800ZQBX-160型潛水電泵性(xing)能表
2000ZQBX-70型潛水電泵性(xìng)能表
2000ZQBX-85型潛水電泵性(xing)能表
2000ZQBX-100型潛水電泵性(xìng)能表
2000ZQBX-125型潛水電泵性(xing)能表
2000ZQBX-160型潛水電泵性(xìng)能表
2400ZQBX-70型潛水電泵性(xing)能表
2400ZQBX-100型潛水電泵性(xìng)能表
2400ZQBX-125型潛水電泵性(xing)能表
2400ZQBX-160型潛水電泵性(xìng)能表
350HQB-50型潛水混流泵(bèng)性能表
500HQB-50型潛水混流(liú)泵性能表
500HQB-50A型潛水混(hun)流泵性能表
600HQB-50型潛水(shui)混流泵性能表
600HQB-50A型潛(qian)水混流泵性能表(biao)
700HQB-50型(xíng)潛水混流泵性能(néng)表
900HQB-50型潛水混流泵性(xìng)能表
900HQB-50D型潛水混流泵(bèng)性能表
1200HQB-50型潛水混流(liú)泵性能表
1200HQB-50A型潛水混(hùn)流泵性能表
1400HQB-50型潛水(shui)混流泵性能表
1400HQB-50A型潛(qián)水混流泵性能表(biao)
1600HQB-50A型(xing)潛水混流泵性能(neng)表
一、 産(chǎn)品 簡介 :
ZQB型潛水軸(zhou)流泵和HQB型潛水混(hùn)流泵是傳統的水(shuǐ)泵--電🔴動機🛀🏻機組的(de)更新換代産品,機(jī)泵一體可長期潛(qian)入💜水中運行,具有(you)一系列突出的優(yōu)點。
1、由于泵潛入水(shui)中運行,大大簡化(hua)了泵站土工及建(jiàn)築結構工程,減少(shao)安裝面積,可節省(shěng)工程總價的30-40%。
2、由于(yú)水泵和電機一體(tǐ),無須在現場進行(háng)軸對中心的裝配(pèi)工序,安裝方便,快(kuai)速。
3、噪聲低,泵站内(nei)無高溫,改善工作(zuò)條件,也可按要求(qiu)建成全地👉下💔泵站(zhan),保持地面的環境(jing)風貌。
4、操作方便,無(wú)須在開機前潤滑(huá)水泵的橡膠軸承(chéng),而且可實現遙控(kong)和自動控制。
5、可解(jiě)決在水位漲落大(da)的沿江,湖泊地區(qū)建泵站的電機防(fang)洪問題。
二、 型 号說(shuō) 明:
三、 産 品 适 用範(fan)圍:
ZQB、HQB型潛水電泵,可(kě)供農田排灌,工礦(kuàng)船塢,城市建設,電(dian)🔴站給排🥰水之用。ZQB型(xing)潛水軸流泵适用(yòng)于低揚程,大流量(liàng)場合。HQB型潛水混流(liú)泵效率高,汽蝕性(xing)能好,适用水❄️位變(biàn)動較大及揚程要(yao)✂️求較高的場合。
四(sì)、 使 用條 件 :
輸送介(jie)質爲水或物理化(hua)學性質類似于水(shui)的其他液體,其最(zui)高被輸送液體溫(wen)度爲40℃。
五、 技術參數(shu):
350ZQB-70型潛水軸流泵性(xìng)能表
| 葉片安裝角(jiao)度 | 流量(Q) | 揚程(H)m | 轉速(su)r/min | 泵效η% | 功率(P)kw | 葉輪直(zhí)徑mm | ||
| M3 /h | L/s | 軸功率 | 電機功(gōng)率 | |||||
| -2o | 684 | 190 | 6.9 | 1450 | 71 | 18.1 | 18.5 | 300 |
| 828 | 230 | 4.77 | 72.4 | 14.9 | ||||
| 900 | 250 | 3.42 | 68 | 12.3 | ||||
| 0o | 763 | 212 | 8.67 | 71 | 25.4 | 30 | ||
| 957 | 266 | 6.21 | 79 | 20.5 | ||||
| 1090 | 303 | 3.59 | 71 | 14.4 | ||||
| +2o | 971 | 270 | 8.3 | 75.7 | 29.0 | |||
| 1115 | 310 | 6.36 | 78.5 | 24.6 | ||||
| 1250 | 347 | 4.52 | 75 | 20.5 | ||||
| +4o | 1170 | 325 | 7.8 | 75.5 | 32.9 | 37 | ||
| 1314 | 365 | 6.3 | 79 | 28.6 | ||||
| 1440 | 400 | 4.71 | 75 | 24.6 | ||||
| +6o | 1314 | 365 | 8.1 | 74.7 | 38.8 | 40 | ||
| 1430 | 397 | 6.94 | 75.7 | 35.8 | ||||
| 1540 | 428 | 5.8 | 75.8 | 32.1 | ||||
350ZQB-70D型潛水軸流泵(bèng)性能表
| 葉片安裝(zhuāng)角度 | 流量(Q) | 揚程(H)m | 轉(zhuan)速r/min | 泵效η% | 功率(P)kw | 葉輪(lún)直徑mm | ||
| M3 /h | L/s | 軸功率 | 電機(jī)功率 | |||||
| -2o | 450 | 125 | 3.36 | 980 | 67 | 6.1 | 7.5 | 300 |
| 554 | 154 | 2.16 | 70.2 | 4.6 | ||||
| 602 | 167 | 1.54 | 65.5 | 3.9 | ||||
| 0o | 515 | 143 | 3.94 | 68.9 | 8.0 | 9 | ||
| 648 | 180 | 2.84 | 77.4 | 6.5 | ||||
| 784 | 218 | 1.64 | 72 | 4.9 | ||||
| +2o | 680 | 189 | 3.5 | 75 | 8.6 | |||
| 756 | 210 | 2.9 | 76.8 | 7.8 | ||||
| 846 | 235 | 2.06 | 73 | 6.5 | ||||
| +4o | 789 | 219 | 3.52 | 78.5 | 9.6 | 11 | ||
| 882 | 245 | 2.84 | 77.6 | 8.8 | ||||
| 905 | 251 | 2.22 | 74.4 | 7.4 | ||||
350ZQB-100型潛水軸流(liu)泵性能表
| 葉片安(ān)裝角度 | 流量(Q) | 揚程(chéng)(H)m | 轉速r/min | 泵效η% | 功率(P)kw | 葉(yè)輪直徑mm | ||
| M3 /h | L/s | 軸功率 | 電(dian)機功率 | |||||
| -6o | 810 | 225 | 5.4 | 1450 | 76.5 | 15.6 | 18.5 | 300 |
| 900 | 250 | 4.03 | 78.4 | 12.6 | ||||
| 972 | 270 | 3.2 | 76.5 | 11.1 | ||||
| -4o | 878 | 244 | 5.8 | 76.5 | 18.1 | |||
| 1008 | 280 | 4.1 | 79.6 | 14.1 | ||||
| 1080 | 300 | 3.2 | 76.5 | 12.3 | ||||
| -2o | 954 | 265 | 5.83 | 77.5 | 19.6 |
22
|
||
| 1080 | 300 | 4.5 | 80.2 | 15.4 | ||||
| 1188 | 330 | 2.9 | 77.5 | 12.1 | ||||
| 0o | 1033 | 287 | 6.0 | 77.5 | 21.8 | |||
| 1188 | 330 | 4.21 | 80.5 | 16.9 | ||||
| 1285 | 357 | 2.89 | 77.5 | 13.1 | ||||
| +2o | 1091 | 303 | 6.0 | 79.7 | 23.3 | 30 | ||
| 1260 | 350 | 4.43 | 81 | 18.8 | ||||
| 1368 | 380 | 3.2 | 76.5 | 15.6 | ||||
| +4 o | 1170 | 325 | 6.4 | 75.5 | 27.0 | |||
| 1350 | 375 | 4.45 | 80.7 | 20.3 | ||||
| 1440 | 400 | 3.4 | 76.5 | 17.4 | ||||
| 葉片(piàn)安裝角度 | 流量(Q) | 揚(yáng)程(H)m | 轉速r/min | 泵效η% | 功率(lǜ)(P)kw | 葉輪直徑mm | ||
| M3 /h | L/s | 軸功率(lü) | 電機功率 | |||||
| -4o | 791 | 220 | 3.78 | 1450 | 79.1 | 10.3 | 11 | 300 |
| 896 | 249 | 2.72 | 81.1 | 8.2 | ||||
| 1005 | 279 | 1.39 | 70.2 | 5.4 | ||||
| -2o | 900 | 250 | 4.6 | 78 | 14.5 | 15 | ||
| 1113 | 309 | 2.84 | 81.7 | 10.5 | ||||
| 1262 | 351 | 1.18 | 65.3 | 6.2 | ||||
| 0o | 1111 | 309 | 5.02 | 75.6 | 20.1 | 22 | ||
| 1304 | 362 | 3.35 | 80.1 | 14.9 | ||||
| 1534 | 426 | 1.22 | 64.6 | 7.9 | ||||
| +2o | 1163 | 323 | 5.89 | 70 | 26.7 | 30 | ||
| 1453 | 404 | 3.8 | 78.6 | 19.1 | ||||
| 1649 | 458 | 2.05 | 70.3 | 13.1 | ||||
| +4 o | 1440 | 400 | 5.35 | 72 | 29.2 | |||
| 1651 | 459 | 3.91 | 72.9 | 24.1 | ||||
| 1782 | 495 | 2.84 | 70.9 | 19.5 | ||||
500ZQB-50型潛水(shuǐ)軸流泵性能表
| 葉(ye)片安裝角度 | 流量(liàng)(Q) | 揚程(H)m | 轉速r/min | 泵效η% | 功(gong)率(P)kw | 葉輪直徑mm | ||
| M3 /h | L/s | 軸功(gōng)率 | 電機功率 | |||||
| -6o | 1522 | 423 | 9.78 | 980 | 75.6 | 53.7 | 55 | 450 |
| 1843 | 512 | 8 | 80.2 | 50.1 | ||||
| 1981 | 550 | 6.85 | 78.3 | 47.2 | ||||
| -4o | 1600 | 444 | 12.13 | 75.6 | 58.4 | 65 | ||
| 1987 | 552 | 8.25 | 81 | 55.1 | ||||
| 2183 | 606 | 6.65 | 78.3 | 50.5 | ||||
| -2o | 1698 | 472 | 10.48 | 75.6 | 64.1 | 75 | ||
| 2131 | 592 | 8.5 | 81 | 60.9 | ||||
| 2368 | 658 | 6.61 | 78.3 | 54.5 | ||||
| 0o | 1801 | 500 | 10.82 | 75.6 | 70.2 | |||
| 2300 | 639 | 8.54 | 81 | 66.1 | ||||
| 2536 | 704 | 6.67 | 78.3 | 58.9 | ||||
| +2o | 2212 | 614 | 12.13 | 81 | 74.6 | 90 | ||
| 2430 | 675 | 8.7 | 81.5 | 70.7 | ||||
| 2683 | 745 | 6.8 | 78.3 | 63.5 | ||||
| +4 o | 2170 | 603 | 12.13 | 75.6 | 86.5 | |||
| 2556 | 710 | 9 | 81.5 | 76.9 | ||||
| 2826 | 785 | 7.04 | 78.3 | 69.2 | ||||
| 葉片安裝角度 | 流(liu)量(Q) | 揚程(H)m | 轉速r/min | 泵效(xiao)η% | 功率(P)kw | 葉輪直徑mm | ||
| M3 /h | L/s | 軸(zhou)功率 | 電機功率 | |||||
| -6o | 1115 | 310 | 5.32 | 730 | 74.7 | 21.6 | 22 | 450 |
| 1373 | 381 | 4.44 | 79.4 | 20.9 | ||||
| 1476 | 410 | 3.8 | 77.5 | 19.7 | ||||
| -4o | 1192 | 331 | 5.62 | 74.7 | 24.4 | 30 | ||
| 1480 | 411 | 4.58 | 80.3 | 23.0 | ||||
| 1626 | 452 | 3.69 | 77.5 | 21.1 | ||||
| -2o | 1265 | 351 | 5.82 | 74.7 | 26.9 | |||
| 1588 | 441 | 4.72 | 80.3 | 25.4 | ||||
| 1764 | 490 | 3.68 | 77.5 | 22.8 | ||||
| 0o | 1342 | 373 | 6 | 74.7 | 29.4 | |||
| 1716 | 476 | 4.74 | 80.3 | 27.6 | ||||
| 1889 | 525 | 3.7 | 77.5 | 24.6 | ||||
| +2o | 1675 | 458 | 5.56 | 80.3 | 31.1 | 37 | ||
| 1810 | 503 | 4.83 | 80.7 | 29.5 | ||||
| 1999 | 555 | 3.77 | 77.5 | 26.5 | ||||
| +4 o | 1617 | 449 | 6.15 | 74.7 | 36.2 | |||
| 1904 | 529 | 4.99 | 80.7 | 32.1 | ||||
| 2105 | 585 | 3.9 | 77.5 | 28.9 | ||||
500ZQB-70型(xing)潛水軸流泵性能(neng)表
| 葉片安裝角度(du) | 流量(Q) | 揚程(H)m | 轉速r/min | 泵(beng)效η% | 功率(P)kw | 葉輪直徑(jìng)mm | ||
| M3 /h | L/s | 軸功率 | 電機功率(lǜ) | |||||
| -4o | 1370 | 381 | 9.44 | 980 | 70.0 | 50.3 | 55 | 450 |
| 1760 | 489 | 7.00 | 79.6 | 42.2 | ||||
| 2050 | 569 | 4.35 | 78.5 | 31.0 | ||||
| -2o | 1720 | 478 | 8.20 | 74.5 | 51.6 | |||
| 2010 | 558 | 6.43 | 80.0 | 44.0 | ||||
| 2250 | 625 | 4.90 | 73.5 | 40.9 | ||||
| 0o | 2099 | 583 | 7.00 | 79.9 | 50.1 | |||
| 2160 | 600 | 6.30 | 81.2 | 45.7 | ||||
| 2510 | 697 | 3.90 | 77.0 | 34.6 | ||||
| +2o | 2340 | 650 | 6.60 | 81.5 | 51.6 | |||
| 2560 | 711 | 5.60 | 82.0 | 47.6 | ||||
| 2660 | 739 | 4.67 | 81.5 | 41.5 | ||||
| +4 o | 2556 | 710 | 6.20 | 82.2 | 52.5 | |||
| 2700 | 750 | 5.60 | 83.0 | 49.6 | ||||
| 2858 | 794 | 4.40 | 79.0 | 43.4 | ||||
500ZQB-70D型潛水軸流泵性(xìng)能表
| 葉片安裝角(jiǎo)度 | 流量(Q) | 揚程(H)m | 轉速(sù)r/min | 泵效η% | 功率(P)kw | 葉輪直(zhi)徑mm | ||
| M3 /h | L/s | 軸功率 | 電機功(gōng)率 | |||||
| -4o | 1020 | 283 | 5.32 | 730 | 68.2 | 21.7 | 30 | 450 |
| 1310 | 364 | 3.95 | 78.4 | 18.0 | ||||
| 1530 | 425 | 2.45 | 77.2 | 13.2 | ||||
| -2o | 1170 | 325 | 5.16 | 73.0 | 22.5 | |||
| 1500 | 417 | 3.62 | 78.8 | 18.8 | ||||
| 1675 | 465 | 2.76 | 71.9 | 17.5 | ||||
| 0o | 1480 | 411 | 4.16 | 77.8 | 21.6 | |||
| 1610 | 447 | 3.56 | 80.1 | 19.5 | ||||
| 1870 | 519 | 2.16 | 75.6 | 14.6 | ||||
| +2o | 1710 | 475 | 3.95 | 80.4 | 22.9 | |||
| 1910 | 531 | 3.10 | 80.9 | 19.9 | ||||
| 1990 | 553 | 2.63 | 80.4 | 17.7 | ||||
| +4 o | 1640 | 456 | 4.44 | 75.4 | 26.3 | |||
| 1680 | 517 | 3.52 | 82.0 | 21.8 | ||||
| 2100 | 583 | 2.82 | 81.5 | 19.8 | ||||
500ZQB-100型潛水軸流泵(beng)性能表
| 葉片安裝(zhuang)角度 | 流量(Q) | 揚程(H)m | 轉(zhuan)速r/min | 泵效η% | 功率(P)kw | 葉輪(lún)直徑mm | ||
| M3 /h | L/s | 軸功率 | 電機(ji)功率 | |||||
| -6o | 1764 | 490 | 6.05 | 980 | 79.7 | 36.5 | 45 | 450 |
| 2160 | 600 | 3.70 | 82.0 | 26.6 | ||||
| 2275 | 632 | 2.90 | 79.7 | 22.6 | ||||
| -4o | 1980 | 550 | 6.00 | 81.6 | 39.7 | |||
| 2340 | 650 | 4.00 | 84.3 | 30.3 | ||||
| 2466 | 685 | 3.15 | 81.6 | 25.9 | ||||
| -2o | 2160 | 600 | 6.18 | 81.6 | 44.6 | |||
| 2513 | 698 | 4.20 | 85.2 | 33.8 | ||||
| 2700 | 750 | 3.10 | 81.6 | 28.0 | ||||
| 0o | 2322 | 645 | 6.40 | 81.6 | 49.6 | 55 | ||
| 2700 | 750 | 4.30 | 85.2 | 37.1 | ||||
| 2916 | 810 | 3.05 | 81.6 | 29.7 | ||||
| +2o | 2498 | 694 | 6.40 | 81.6 | 53.4 | 65 | ||
| 2844 | 790 | 4.68 | 85.2 | 42.6 | ||||
| 3114 | 865 | 3.25 | 81.6 | 33.8 | ||||
| +4 o | 2736 | 760 | 6.20 | 81.6 | 56.6 | |||
| 2995 | 832 | 5.00 | 85.2 | 47.9 | ||||
| 3276 | 910 | 3.60 | 81.6 | 39.4 | ||||
500ZQB-125型潛水軸流(liu)泵性能表
| 葉片安(ān)裝角度 | 流量(Q) | 揚程(cheng)(H)m | 轉速r/min | 泵效η% | 功率(P)kw | 葉(yè)輪直徑mm | ||
| M3 /h | L/s | 軸功率 | 電(diàn)機功率 | |||||
| -4o | 1620 | 450 | 4.55 | 980 | 75.0 | 26.8 | 30 | 450 |
| 1962 | 545 | 3.20 | 80.5 | 21.3 | ||||
| 2196 | 610 | 2.00 | 75.0 | 16.0 | ||||
| -2o | 2070 | 575 | 4.75 | 78.0 | 34.4 | 37 | ||
| 2394 | 665 | 3.30 | 81.5 | 26.4 | ||||
| 2700 | 750 | 1.90 | 75.0 | 18.6 | ||||
| 0o | 2484 | 690 | 4.80 | 78.5 | 41.4 | 45 | ||
| 2844 | 790 | 3.50 | 82.5 | 32.9 | ||||
| 3204 | 890 | 2.00 | 73.5 | 23.8 | ||||
| +2o | 2808 | 780 | 5.10 | 76.5 | 51.0 | 55 | ||
| 3240 | 900 | 3.60 | 82.0 | 38.8 | ||||
| 3510 | 975 | 2.50 | 75.0 | 31.9 | ||||
| +4 o | 3366 | 935 | 4.40 | 78.6 | 51.3 | |||
| 3636 | 1010 | 4.00 | 79.5 | 49.9 | ||||
| 3834 | 1065 | 3.60 | 76.5 | 49.2 | ||||
500ZQB-160型潛水軸(zhóu)流泵性能表
| 葉片(pian)安裝角度 | 流量(Q) | 揚(yáng)程(H)m | 轉速r/min | 泵效η% | 功率(lü)(P)kw | 葉輪直徑mm | ||
| M3 /h | L/s | 軸功率(lü) | 電機功率 | |||||
| -2o | 2192 | 609 | 3.72 | 980 | 79.3 | 28.0 | 37 | 450 |
| 2545 | 707 | 2.56 | 84.2 | 21.2 | ||||
| 2804 | 779 | 1.71 | 79.3 | 16.5 | ||||
| 0o | 2569 | 714 | 3.57 | 79.3 | 31.5 | 45 | ||
| 2956 | 821 | 2.57 | 84.2 | 24.6 | ||||
| 3158 | 877 | 1.79 | 79.3 | 19.4 | ||||
| +2o | 2989 | 830 | 3.41 | 79.3 | 35.0 | |||
| 3194 | 887 | 3.02 | 82.0 | 32.1 | ||||
| 3474 | 965 | 2.13 | 80.2 | 25.1 | ||||
| 葉(yè)片安裝角度 | 流量(liang)(Q) | 揚程(H)m | 轉速r/min | 泵效η% | 功(gong)率(P)kw | 葉輪直徑mm | ||
| M3 /h | L/s | 軸功(gōng)率 | 電機功率 | |||||
| -6o | 2556 | 710 | 4.45 | 730 | 81.1 | 38.2 | 45 | 550 |
| 2808 | 780 | 3.49 | 81.6 | 32.7 | ||||
| 3132 | 870 | 2.43 | 77.0 | 26.9 | ||||
| -4o | 3024 | 840 | 4.00 | 83.1 | 39.7 | |||
| 3132 | 870 | 3.54 | 83.4 | 36.2 | ||||
| 3348 | 930 | 2.66 | 81.3 | 29.8 | ||||
| -2o | 3132 | 870 | 4.45 | 83.0 | 45.8 | 55 | ||
| 3420 | 950 | 3.49 | 84.0 | 38.7 | ||||
| 3672 | 1020 | 2.52 | 81.2 | 31.1 | ||||
| 0o | 3348 | 930 | 4.47 | 82.7 | 49.3 | |||
| 3672 | 1020 | 3.59 | 84.2 | 42.7 | ||||
| 3850 | 1070 | 2.95 | 83.0 | 37.3 | ||||
| +2o | 3924 | 1090 | 3.73 | 84.0 | 47.5 | |||
| 4104 | 1140 | 3.37 | 84.2 | 44.8 | ||||
| 4176 | 1160 | 2.90 | 81.7 | 40.4 | ||||
| +4 o | 4176 | 1160 | 3.79 | 84.2 | 51.2 | |||
| 4284 | 1190 | 3.41 | 83.3 | 47.8 | ||||
| 4482 | 1245 | 3.00 | 81.0 | 45.2 | ||||
600ZQB-160型潛(qian)水軸流泵性能表(biǎo)
| 葉片安裝角度 | 流(liu)量(Q) | 揚程(H)m | 轉速r/min | 泵效(xiào)η% | 功率(P)kw | 葉輪直徑mm | ||
| M3 /h | L/s | 軸(zhóu)功率 | 電機功率 | |||||
| -2o | 2981 | 828 | 3.08 | 730 | 80.2 | 31.2 | 37 | 550 |
| 3463 | 962 | 2.12 | 85.0 | 23.5 | ||||
| 3814 | 1059 | 1.42 | 80.2 | 18.4 | ||||
| 0o | 3493 | 970 | 2.96 | 80.2 | 35.1 | 45 | ||
| 4169 | 1158 | 1.77 | 82.8 | 24.3 | ||||
| 4295 | 1193 | 1.48 | 80.2 | 21.6 | ||||
| +2o | 4065 | 1129 | 2.83 | 80.2 | 39.1 | |||
| 4345 | 1207 | 2.51 | 82.8 | 35.9 | ||||
| 4728 | 1313 | 1.76 | 81.1 | 28.0 | ||||
| 葉片安裝角度(du) | 流量(Q) | 揚程(H)m | 轉速r/min | 泵(beng)效η% | 功率(P)kw | 葉輪直徑(jing)mm | ||
| M3 /h | L/s | 軸功率 | 電機功率(lǜ) | |||||
| -6o | 2827 | 785 | 12.13 | 730 | 72.7 | 117.4 | 132 | 600 |
| 3715 | 1032 | 8.75 | 81.5 | 108.7 | ||||
| 4135 | 1149 | 4.42 | 65.0 | 73.5 | ||||
| -4o | 3893 | 1081 | 9.39 | 82.0 | 121.5 | |||
| 4010 | 1114 | 9.00 | 82.1 | 119.8 | ||||
| 4698 | 1305 | 5.60 | 72.7 | 98.6 | ||||
| -2o | 3103 | 862 | 11.70 | 72.7 | 136.1 | 160 | ||
| 4334 | 1204 | 9.00 | 82.5 | 128.8 | ||||
| 5112 | 1420 | 5.25 | 70.0 | 104.5 | ||||
| 0o | 3436 | 954 | 11.32 | 76.9 | 137.8 | |||
| 4653 | 1293 | 9.24 | 82.1 | 142.7 | ||||
| 5191 | 1442 | 4.81 | 72.7 | 93.6 | ||||
| +2o | 3879 | 1078 | 12.13 | 76.9 | 165.6 | 185 | ||
| 4896 | 1360 | 9.5 | 83.0 | 152.7 | ||||
| 5738 | 1594 | 5.85 | 72.7 | 125.8 | ||||
| +4 o | 4749 | 1319 | 12.13 | 82.0 | 174.7 | |||
| 5162 | 1434 | 9.75 | 83.0 | 165.2 | ||||
| 6017 | 1671 | 6.14 | 82.7 | 138.5 | ||||
700ZQB-50D型潛水軸流泵性(xìng)能表
| 葉片安裝角(jiao)度 | 流量(Q) | 揚程(H)m | 轉速(sù)r/min | 泵效η% | 功率(P)kw | 葉輪直(zhi)徑mm | ||
| M3 /h | L/s | 軸功率 | 電機功(gōng)率 | |||||
| -6o | 2246 | 624 | 6.99 | 590 | 71.9 | 59.5 | 75 | 600 |
| 2952 | 820 | 5.52 | 80.9 | 54.9 | ||||
| 3285 | 913 | 2.68 | 64.0 | 37.5 | ||||
| -4o | 3093 | 859 | 5.93 | 81.4 | 61.4 | |||
| 3186 | 885 | 5.68 | 81.8 | 60.3 | ||||
| 3733 | 1037 | 35.4 | 71.9 | 50.1 | ||||
| -2o | 2465 | 685 | 7.39 | 71.9 | 69.0 | |||
| 3444 | 957 | 5.68 | 81.9 | 65.1 | ||||
| 4062 | 1128 | 3.31 | 70.0 | 52.3 | ||||
| 0o | 2730 | 758 | 7.15 | 76.2 | 69.8 | |||
| 3697 | 1027 | 5.83 | 81.5 | 72.1 | ||||
| 4124 | 1146 | 3.04 | 71.9 | 47.5 | ||||
| +2o | 3082 | 856 | 7.61 | 76.2 | 83.9 | 90 | ||
| 3890 | 1081 | 6.00 | 82.4 | 77.5 | ||||
| 4559 | 1266 | 3.69 | 71.9 | 63.8 | ||||
| +4 o | 3773 | 1048 | 6.99 | 81.4 | 88.3 | |||
| 4102 | 1139 | 6.15 | 82.4 | 83.4 | ||||
| 4781 | 1328 | 3.88 | 71.9 | 70.3 | ||||
| 葉片安裝(zhuāng)角度 | 流量(Q) | 揚程(H)m | 轉(zhuan)速r/min | 泵效η% | 功率(P)kw | 葉輪(lun)直徑mm | ||
| M3 /h | L/s | 軸功率 | 電機(ji)功率 | |||||
| -4o | 3038 | 844 | 10.80 | 730 | 72.1 | 124.0 | 132 | 650 |
| 3908 | 1086 | 8.04 | 82.0 | 104.1 | ||||
| 4563 | 1268 | 4.99 | 81.0 | 76.6 | ||||
| -2o | 3828 | 1063 | 9.41 | 76.5 | 128.3 | |||
| 4467 | 1241 | 7.58 | 81.4 | 113.4 | ||||
| 4995 | 1388 | 5.63 | 75.4 | 101.6 | ||||
| 0o | 4595 | 1276 | 8.04 | 81.3 | 123.8 | |||
| 4795 | 1332 | 7.25 | 82.5 | 114.8 | ||||
| 5562 | 1545 | 4.48 | 78.6 | 86.4 | ||||
| +2o | 5195 | 1443 | 7.58 | 82.6 | 129.9 | |||
| 5682 | 1578 | 6.31 | 83.5 | 117.0 | ||||
| 5922 | 1645 | 5.36 | 82.8 | 104.5 | ||||
| +4 o | 5760 | 1600 | 7.20 | 83.2 | 135.8 | 160 | ||
| 5994 | 1665 | 6.43 | 84.2 | 124.7 | ||||
| 6340 | 1761 | 5.05 | 80.3 | 108.7 | ||||
700ZQB-70D型潛水軸流(liú)泵性能表
| 葉片安(an)裝角度 | 流量(Q) | 揚程(chéng)(H)m | 轉速r/min | 泵效η% | 功率(P)kw | 葉(ye)輪直徑mm | ||
| M3 /h | L/s | 軸功率 | 電(dian)機功率 | |||||
| -4o | 2410 | 669 | 6.96 | 590 | 70.5 | 64.8 | 75 | 650 |
| 3110 | 864 | 5.17 | 80.0 | 54.8 | ||||
| 3660 | 1017 | 3.20 | 78.8 | 40.5 | ||||
| -2o | 2786 | 774 | 6.75 | 75.0 | 68.3 | |||
| 3557 | 988 | 4.74 | 80.5 | 57.1 | ||||
| 3974 | 1104 | 3.61 | 75.9 | 51.5 | ||||
| 0o | 3506 | 974 | 5.44 | 79.4 | 65.5 | |||
| 3820 | 1061 | 4.66 | 81.5 | 59.5 | ||||
| 4446 | 1235 | 2.85 | 77.4 | 44.6 | ||||
| +2o | 4060 | 1128 | 5.17 | 81.8 | 69.9 | |||
| 4529 | 1258 | 4.00 | 82.3 | 60.0 | ||||
| 4720 | 1311 | 3.44 | 81.8 | 54.1 | ||||
| +4 o | 4658 | 1294 | 4.60 | 83.3 | 70.1 | |||
| 4975 | 1382 | 3.68 | 82.8 | 60.4 | ||||
| 5120 | 1422 | 3.20 | 79.3 | 56.3 | ||||
| 葉片(piàn)安裝角度 | 流量(Q) | 揚(yáng)程(H)m | 轉速r/min | 泵效η% | 功率(lü)(P)kw | 葉輪直徑mm | ||
| M3 /h | L/s | 軸功率(lǜ) | 電機功率 | |||||
| -4o | 4356 | 1210 | 6.45 | 590 | 79.4 | 96.4 | 110 | 650 |
| 4860 | 1350 | 5.50 | 82.0 | 88.8 | ||||
| 5256 | 1460 | 4.25 | 79.4 | 76.7 | ||||
| -2o | 4572 | 1270 | 6.65 | 80.0 | 103.6 | |||
| 5184 | 1440 | 5.50 | 82.8 | 93.8 | ||||
| 5688 | 1580 | 4.15 | 79.4 | 81.0 | ||||
| 0o | 4780 | 1328 | 6.70 | 80.8 | 108.0 | |||
| 5436 | 1510 | 5.70 | 83.7 | 100.9 | ||||
| 6084 | 1690 | 4.05 | 76.4 | 87.9 | ||||
| +2o | 5040 | 1400 | 7.00 | 81.1 | 118.5 | 132 | ||
| 5652 | 1570 | 6.00 | 84.0 | 110.0 | ||||
| 6480 | 1800 | 4.10 | 79.4 | 91.2 | ||||
| +4 o | 5256 | 1460 | 7.25 | 81.1 | 128.0 | |||
| 6012 | 1670 | 6.20 | 84.5 | 120.2 | ||||
| 6840 | 1900 | 4.17 | 79.4 | 97.9 | ||||
| +6o | 5544 | 1540 | 7.45 | 81.1 | 138.8 | 160 | ||
| 6228 | 1730 | 6.45 | 84.5 | 129.5 | ||||
| 7200 | 2000 | 4.47 | 79.4 | 110.5 | ||||
700ZQB-100型潛水(shuǐ)軸流泵性能表
| 葉(ye)片安裝角度 | 流量(liang)(Q) | 揚程(H)m | 轉速r/min | 泵效η% | 功(gong)率(P)kw | 葉輪直徑mm | ||
| M3 /h | L/s | 軸功(gong)率 | 電機功率 | |||||
| -6o | 3888 | 1080 | 7.00 | 730 | 79.0 | 93.9 | 110 | 650 |
| 4572 | 1270 | 5.00 | 81.0 | 76.9 | ||||
| 5040 | 1400 | 3.30 | 79.0 | 57.4 | ||||
| -4o | 4176 | 1160 | 7.20 | 79.0 | 103.7 | |||
| 4860 | 1350 | 5.30 | 82.5 | 85.1 | ||||
| 5472 | 1520 | 3.00 | 79.0 | 56.6 | ||||
| -2o | 4572 | 1270 | 7.50 | 79.0 | 118.3 | 132 | ||
| 5329 | 1480 | 5.50 | 83.0 | 96.2 | ||||
| 5976 | 1660 | 3.35 | 79.0 | 69.1 | ||||
| 0o | 4968 | 1380 | 7.60 | 79.0 | 130.2 | |||
| 5850 | 1625 | 5.50 | 83.4 | 105.1 | ||||
| 6516 | 1810 | 3.45 | 79.0 | 77.5 | ||||
| +2o | 5400 | 1500 | 7.65 | 79.0 | 142.5 | 160 | ||
| 6300 | 1750 | 5.50 | 83.4 | 113.2 | ||||
| 6948 | 1930 | 3.55 | 79.0 | 85.1 | ||||
| +4 o | 5760 | 1600 | 7.60 | 79.0 | 151.0 | |||
| 6660 | 1850 | 5.70 | 83.4 | 124.0 | ||||
| 7380 | 2050 | 3.70 | 79.0 | 94.2 | ||||
| 葉片安裝角度 | 流(liú)量(Q) | 揚程(H)m | 轉速r/min | 泵效(xiào)η% | 功率(P)kw | 葉輪直徑mm | ||
| M3 /h | L/s | 軸(zhóu)功率 | 電機功率 | |||||
| -6o | 3021 | 839 | 4.76 | 590 | 78.0 | 50.2 | 55 | 650 |
| 3693 | 1026 | 3.20 | 82.0 | 39.3 | ||||
| 4166 | 1157 | 1.89 | 78.0 | 27.5 | ||||
| -4o | 3230 | 897 | 5.13 | 80.0 | 56.4 | 65 | ||
| 4172 | 1159 | 3.14 | 84.0 | 42.5 | ||||
| 4572 | 1270 | 1.98 | 78.0 | 31.6 | ||||
| -2o | 3390 | 942 | 5.45 | 78.0 | 64.5 | |||
| 4506 | 1252 | 3.17 | 85.0 | 45.8 | ||||
| 4979 | 1383 | 1.94 | 80.0 | 32.9 | ||||
| 0o | 3981 | 1106 | 5.09 | 80.0 | 68.0 | 75 | ||
| 4875 | 1354 | 3.20 | 85.0 | 50.0 | ||||
| 5363 | 1490 | 2.02 | 80.0 | 36.9 | ||||
| +2o | 4173 | 1159 | 5.34 | 78.0 | 77.9 | 90 | ||
| 5171 | 1436 | 3.40 | 85.0 | 56.4 | ||||
| 5769 | 1603 | 2.03 | 78.0 | 40.9 | ||||
| +4 o | 4196 | 1166 | 5.88 | 78.0 | 86.2 | |||
| 5540 | 1539 | 3.40 | 85.0 | 60.4 | ||||
| 6079 | 1689 | 2.29 | 78.0 | 48.6 | ||||
700ZQB-125型(xing)潛水軸流泵性能(neng)表
| 葉片安裝角度(du) | 流量(Q) | 揚程(H)m | 轉速r/min | 泵(bèng)效η% | 功率(P)kw | 葉輪直徑(jìng)mm | ||
| M3 /h | L/s | 軸功率 | 電機功率(lü) | |||||
| -4o | 3398 | 944 | 6.10 | 730 | 77.0 | 73.4 | 90 | 650 |
| 4572 | 1270 | 3.61 | 84.0 | 53.5 | ||||
| 5141 | 1428 | 2.12 | 78.0 | 38.1 | ||||
| -2o | 4799 | 1333 | 5.80 | 79.0 | 96.0 | 110 | ||
| 5533 | 1537 | 4.05 | 82.5 | 74.0 | ||||
| 6048 | 1680 | 2.57 | 79.0 | 53.6 | ||||
| 0o | 5825 | 1618 | 5.67 | 81.0 | 111.1 | 132 | ||
| 6635 | 1843 | 4.05 | 82.5 | 88.8 | ||||
| 7222 | 2006 | 2.70 | 79.0 | 67.3 | ||||
| +2o | 6487 | 1802 | 6.08 | 79.0 | 136.0 | 160 | ||
| 7441 | 2067 | 4.32 | 82.5 | 106.2 | ||||
| 7956 | 2210 | 3.24 | 79.0 | 88.9 | ||||
| +4 o | 8352 | 2320 | 4.81 | 83.0 | 131.9 | |||
| 8402 | 2334 | 4.17 | 82.0 | 116.4 | ||||
| 8910 | 2475 | 3.73 | 79.0 | 114.6 | ||||
700ZQB-125D型潛水軸流泵性(xìng)能表
| 葉片安裝角(jiao)度 | 流量(Q) | 揚程(H)m | 轉速(su)r/min | 泵效η% | 功率(P)kw | 葉輪直(zhi)徑mm | ||
| M3 /h | L/s | 軸功率 | 電機功(gong)率 | |||||
| -4o | 2725 | 757 | 3.92 | 590 | 76.0 | 38.3 | 45 | 650 |
| 3668 | 1019 | 2.32 | 83.3 | 27.8 | ||||
| 4104 | 1140 | 1.36 | 77.2 | 19.7 | ||||
| -2o | 3636 | 1010 | 3.98 | 78.5 | 50.2 | 55 | ||
| 4511 | 1253 | 2.40 | 83.8 | 35.2 | ||||
| 5051 | 1403 | 1.24 | 75.5 | 22.6 | ||||
| 0o | 4392 | 1220 | 4.00 | 79.5 | 60.2 | 75 | ||
| 5314 | 1476 | 2.57 | 83.8 | 44.4 | ||||
| 5922 | 1645 | 1.51 | 76.5 | 31.9 | ||||
| +2o | 5069 | 1408 | 4.04 | 79.0 | 70.6 | 90 | ||
| 5651 | 1653 | 2.74 | 83.3 | 53.3 | ||||
| 6400 | 1778 | 2.02 | 80.0 | 44.0 | ||||
| +4 o | 5995 | 1665 | 4.00 | 78.8 | 82.9 | |||
| 6682 | 1856 | 3.10 | 82.5 | 68.4 | ||||
| 6732 | 1870 | 3.03 | 82.5 | 67.4 | ||||
700ZQB-160型潛水軸流泵(bèng)性能表
| 葉片安裝(zhuāng)角度 | 流量(Q) | 揚程(H)m | 轉(zhuan)速r/min | 泵效η% | 功率(P)kw | 葉輪(lun)直徑mm | ||
| M3 /h | L/s | 軸功率 | 電機(ji)功率 | |||||
| -2o | 4922 | 1367 | 4.30 | 730 | 81.4 | 70.9 | 75 | 650 |
| 5715 | 1588 | 2.96 | 85.0 | 54.2 | ||||
| 6295 | 1749 | 1.98 | 81.4 | 41.7 | ||||
| 0o | 5766 | 1602 | 4.13 | 81.4 | 79.7 | 90 | ||
| 6637 | 1844 | 2.97 | 85.6 | 62.8 | ||||
| 7086 | 1968 | 2.07 | 81.4 | 49.1 | ||||
| +2o | 6710 | 1864 | 3.95 | 81.4 | 88.7 | |||
| 7171 | 1992 | 3.50 | 83.8 | 81.6 | ||||
| 7798 | 2166 | 2.46 | 82.2 | 63.6 | ||||
900ZQB-50型潛水軸流(liú)泵性能表
| 葉片安(an)裝角度 | 流量(Q) | 揚程(cheng)(H)m | 轉速r/min | 泵效η% | 功率(P)kw | 葉(ye)輪直徑mm | ||
| M3 /h | L/s | 軸功率 | 電(diàn)機功率 | |||||
| -8o | 5161 | 1434 | 9.65 | 490 | 74.6 | 181.9 | 185 | 850 |
| 6472 | 1798 | 7.82 | 81.0 | 170.6 | ||||
| 7596 | 2110 | 4.58 | 70.6 | 134.3 | ||||
| -6o | 5659 | 1572 | 9.77 | 75.0 | 200.9 | 220 | ||
| 7139 | 1983 | 7.82 | 82.8 | 183.7 | ||||
| 8578 | 2383 | 3.83 | 66.6 | 134.4 | ||||
| -4o | 5638 | 1566 | 12.13 | 74.6 | 212.3 | |||
| 7761 | 2156 | 8.06 | 84.0 | 202.9 | ||||
| 9187 | 2552 | 4.37 | 70.6 | 155.0 | ||||
| -2o | 6558 | 1822 | 12.13 | 78.5 | 233.1 | 250 | ||
| 7995 | 2221 | 8.30 | 84.0 | 215.3 | ||||
| 10038 | 2788 | 3.91 | 67.0 | 159.6 | ||||
| 0o | 7470 | 2075 | 9.89 | 80.9 | 248.8 | |||
| 8882 | 2467 | 8.34 | 84.2 | 239.7 | ||||
| 10570 | 2936 | 4.42 | 70.6 | 180.3 | ||||
| +2o | 7402 | 2056 | 10.85 | 78.5 | 278.8 | 280 | ||
| 9350 | 2597 | 8.55 | 84.0 | 259.3 | ||||
| 11357 | 3155 | 4.02 | 66.6 | 186.8 | ||||
| +4 o | 7859 | 2183 | 12.13 | 78.5 | 305.5 | 315 | ||
| 9830 | 2731 | 8.79 | 84.0 | 280.3 | ||||
| 11774 | 3271 | 4.88 | 70.6 | 221.8 | ||||
900ZQB-70型潛水軸(zhou)流泵性能表
| 葉片(pian)安裝角度 | 流量(Q) | 揚(yáng)程(H)m | 轉速r/min | 泵效η% | 功率(lǜ)(P)kw | 葉輪直徑mm | ||
| M3 /h | L/s | 軸功率(lü) | 電機功率 | |||||
| -4o | 4500 | 1250 | 8.06 | 490 | 74.0 | 133.6 | 160 | 850 |
| 5800 | 1611 | 5.98 | 82.3 | 114.8 | ||||
| 6770 | 1881 | 3.72 | 81.4 | 84.3 | ||||
| -2o | 5190 | 1442 | 7.82 | 77.5 | 142.7 | |||
| 6620 | 1839 | 5.49 | 82.7 | 119.8 | ||||
| 7410 | 2058 | 4.19 | 77.0 | 109.9 | ||||
| 0o | 6510 | 1808 | 6.41 | 81.8 | 139.0 | |||
| 7200 | 2000 | 5.40 | 83.6 | 126.7 | ||||
| 8250 | 2292 | 3.33 | 80.1 | 93.5 | ||||
| +2o | 7560 | 2100 | 5.99 | 84.0 | 146.9 | |||
| 8420 | 2339 | 4.70 | 84.4 | 127.8 | ||||
| 8790 | 2442 | 4.00 | 84.0 | 114.1 | ||||
| +4 o | 7740 | 2150 | 6.50 | 82.7 | 165.8 | 185 | ||
| 8650 | 2403 | 5.33 | 85.6 | 147.3 | ||||
| 9300 | 2583 | 4.27 | 84.8 | 127.6 | ||||
900ZQB-70*型潛水(shui)軸流泵性能表
| 葉(yè)片安裝角度 | 流量(liang)(Q) | 揚程(H)m | 轉速r/min | 泵效η% | 功(gong)率(P)kw | 葉輪直徑mm | ||
| M3 /h | L/s | 軸功(gong)率 | 電機功率 | |||||
| -4o | 8748 | 2430 | 6.80 | 490 | 83.0 | 95.3 | 220 | 850 |
| 9288 | 2580 | 6.00 | 83.0 | 183.0 | ||||
| 9839 | 2733 | 5.00 | 80.5 | 166.5 | ||||
| -2o | 8350 | 2319 | 7.73 | 80.5 | 218.5 | 250 | ||
| 9648 | 2680 | 6.50 | 83.8 | 203.9 | ||||
| 10620 | 2950 | 4.87 | 80.5 | 175.1 | ||||
| 0o | 8640 | 2400 | 8.17 | 80.5 | 238.9 | |||
| 10080 | 2800 | 6.70 | 84.5 | 217.8 | ||||
| 11268 | 3130 | 4.77 | 80.5 | 181.9 | ||||
| +2o | 8964 | 2490 | 8.40 | 80.5 | 254.9 | 280 | ||
| 10656 | 2960 | 7.00 | 84.5 | 240.5 | ||||
| 11988 | 3330 | 4.77 | 80.5 | 193.6 | ||||
| +4 o | 9720 | 2700 | 8.50 | 82.1 | 274.2 | 300 | ||
| 11124 | 3090 | 7.33 | 85.3 | 260.5 | ||||
| 12816 | 3560 | 4.93 | 80.5 | 213.9 | ||||
900ZQB-100型潛(qian)水軸流泵性能表(biao)
| 葉片安裝角度 | 流(liu)量(Q) | 揚程(H)m | 轉速r/min | 泵效(xiào)η% | 功率(P)kw | 葉輪直徑mm | ||
| M3 /h | L/s | 軸(zhou)功率 | 電機功率 | |||||
| -6o | 7416 | 2060 | 6.75 | 590 | 81.5 | 167.4 | 185 | 850 |
| 8316 | 2310 | 5.50 | 84.0 | 148.4 | ||||
| 8856 | 2460 | 4.00 | 82.0 | 117.7 | ||||
| -4o | 8208 | 2280 | 6.85 | 83.0 | 184.6 | |||
| 9306 | 2585 | 5.50 | 84.5 | 165.1 | ||||
| 9792 | 2720 | 4.00 | 81.5 | 131.0 | ||||
| -2o | 8686 | 2413 | 7.50 | 82.5 | 215.0 | 220 | ||
| 9756 | 2710 | 5.75 | 85.0 | 179.8 | ||||
| 10650 | 2958 | 4.00 | 82.0 | 141.6 | ||||
| 0o | 9720 | 2700 | 7.25 | 83.5 | 230.0 | 250 | ||
| 10728 | 2980 | 5.50 | 85.0 | 189.2 | ||||
| 11448 | 3180 | 4.50 | 83.5 | 168.1 | ||||
| +2o | 10818 | 3005 | 6.80 | 84.5 | 237.2 | |||
| 11412 | 3170 | 5.75 | 85.0 | 210.4 | ||||
| 12168 | 3380 | 4.50 | 83.5 | 178.7 | ||||
| +4 o | 12168 | 3380 | 5.90 | 85.0 | 230.2 | |||
| 12870 | 3575 | 4.80 | 83.5 | 201.3 | ||||
| 13835 | 3843 | 3.50 | 82.0 | 160.9 | ||||
| 葉片安裝角度(dù) | 流量(Q) | 揚程(H)m | 轉速r/min | 泵(bèng)效η% | 功率(P)kw | 葉輪直徑(jìng)mm | ||
| M3 /h | L/s | 軸功率 | 電機功率(lǜ) | |||||
| -6o | 5868 | 1630 | 5.00 | 490 | 80.0 | 99.9 | 110 | 850 |
| 6894 | 1915 | 3.50 | 82.5 | 79.7 | ||||
| 7596 | 2110 | 2.25 | 79.0 | 59.0 | ||||
| -4o | 6660 | 1850 | 5.00 | 80.5 | 112.7 | 132 | ||
| 7488 | 2080 | 3.75 | 84.0 | 91.1 | ||||
| 8388 | 2330 | 2.25 | 80.0 | 64.3 | ||||
| -2o | 7578 | 2105 | 4.60 | 83.5 | 113.8 | |||
| 8028 | 2230 | 3.90 | 85.0 | 100.4 | ||||
| 9072 | 2520 | 2.25 | 80.0 | 69.5 | ||||
| 0o | 7560 | 2100 | 5.50 | 80.5 | 140.8 | 160 | ||
| 8658 | 2405 | 4.00 | 85.0 | 111.0 | ||||
| 9684 | 2690 | 2.50 | 80.9 | 81.5 | ||||
| +2o | 8460 | 2350 | 5.20 | 82.0 | 146.2 | |||
| 9378 | 2605 | 4.00 | 85.0 | 120.3 | ||||
| 10244 | 2846 | 2.80 | 81.5 | 95.9 | ||||
| +4 o | 9468 | 2630 | 4.75 | 84.0 | 145.9 | |||
| 10080 | 2800 | 4.00 | 85.0 | 129.3 | ||||
| 10818 | 3005 | 3.00 | 81.8 | 108.1 | ||||
900ZQB-125型潛水軸流泵性(xing)能表
| 葉片安裝角(jiao)度 | 流量(Q) | 揚程(H)m | 轉速(su)r/min | 泵效η% | 功率(P)kw | 葉輪直(zhi)徑mm | ||
| M3 /h | L/s | 軸功率 | 電機功(gong)率 | |||||
| -2o | 7056 | 1960 | 4.30 | 490 | 80.0 | 103.3 | 110 | 850 |
| 8136 | 2260 | 3.00 | 83.5 | 79.7 | ||||
| 8892 | 2470 | 1.90 | 80.0 | 57.5 | ||||
| 0o | 8568 | 2380 | 4.20 | 82.0 | 119.6 | 132 | ||
| 9756 | 2710 | 3.00 | 83.5 | 95.5 | ||||
| 10620 | 2950 | 2.00 | 80.0 | 72.3 | ||||
| +2o | 9540 | 2650 | 4.50 | 80.0 | 146.2 | 160 | ||
| 10944 | 3040 | 3.20 | 83.5 | 114.3 | ||||
| 11700 | 3250 | 2.40 | 80.0 | 95.6 | ||||
900ZQB-160型潛水軸流泵(beng)性能表
| 葉片安裝(zhuang)角度 | 流量(Q) | 揚程(H)m | 轉(zhuǎn)速r/min | 泵效η% | 功率(P)kw | 葉輪(lún)直徑mm | ||
| M3 /h | L/s | 軸功率 | 電機(ji)功率 | |||||
| -2o | 7315 | 2032 | 3.25 | 490 | 82.3 | 78.8 | 90 | 850 |
| 8492 | 2359 | 2.24 | 85.7 | 60.5 | ||||
| 9234 | 2565 | 1.57 | 83.0 | 47.6 | ||||
| 0o | 8568 | 2380 | 3.12 | 82.3 | 88.5 | |||
| 9850 | 2736 | 2.25 | 86.5 | 69.8 | ||||
| 10476 | 2910 | 1.63 | 83.0 | 56.1 | ||||
| +2o | 9968 | 2769 | 3.00 | 82.3 | 99.0 | 110 | ||
| 10656 | 2960 | 2.64 | 84.5 | 90.7 | ||||
| 11462 | 3184 | 2.01 | 83.0 | 75.6 | ||||
1200ZQB-100型潛水軸流(liú)泵性能表
| 葉片安(an)裝角度 | 流量(Q) | 揚程(chéng)(H)m | 轉速r/min | 泵效η% | 功率(P)kw | 葉(ye)輪直徑mm | ||
| M3 /h | L/s | 軸功率 | 電(dian)機功率 | |||||
| -4o | 11304 | 3140 | 6.43 | 490 | 84.7 | 233.8 | 90 | 1000 |
| 12514 | 3476 | 5.00 | 85.4 | 199.7 | ||||
| 13644 | 3790 | 3.17 | 81.7 | 144.3 | ||||
| -2o | 12456 | 3460 | 6.48 | 84.7 | 259.7 | 280 | ||
| 13460 | 3739 | 5.11 | 86.2 | 218.4 | ||||
| 14904 | 4140 | 3.07 | 81.7 | 152.6 | ||||
| 0o | 13865 | 3851 | 6.00 | 86.1 | 263.3 | |||
| 14565 | 4046 | 5.11 | 86.2 | 235.3 | ||||
| 16020 | 4450 | 3.23 | 81.7 | 172.6 | ||||
| +2o | 13824 | 3840 | 7.21 | 84.7 | 320.7 | 335 | ||
| 15448 | 4291 | 5.43 | 86.2 | 265.2 | ||||
| 17028 | 4730 | 3.53 | 81.7 | 200.5 | ||||
| +4 o | 15624 | 4340 | 6.45 | 85.4 | 321.6 | |||
| 16552 | 4598 | 5.42 | 86.2 | 283.6 | ||||
| 17964 | 4990 | 3.89 | 81.7 | 233.1 | ||||
1200ZQB-100*型潛水軸(zhou)流泵性能表
| 葉片(piàn)安裝角度 | 流量(Q) | 揚(yang)程(H)m | 轉速r/min | 泵效η% | 功率(lǜ)(P)kw | 葉輪直徑mm | ||
| M3 /h | L/s | 軸功率(lü) | 電機功率 | |||||
| -4o | 10584 | 2940 | 5.40 | 370 | 83.0 | 187.6 | 220 | 1100 |
| 12312 | 3420 | 4.00 | 86.9 | 154.4 | ||||
| 13752 | 3820 | 2.60 | 84.7 | 115.0 | ||||
| -2o | 11340 | 3150 | 5.70 | 83.0 | 212.2 | 250 | ||
| 14220 | 3950 | 4.00 | 87.6 | 177.0 | ||||
| 14940 | 4150 | 2.58 | 84.6 | 124.2 | ||||
| 0o | 11808 | 3280 | 6.10 | 81.5 | 240.8 | 280 | ||
| 14400 | 4000 | 4.15 | 87.6 | 185.9 | ||||
| 16056 | 4460 | 2.58 | 84.6 | 133.5 | ||||
| +2o | 13176 | 3660 | 5.90 | 82.2 | 257.7 | 300 | ||
| 15840 | 4400 | 3.87 | 87.6 | 190.7 | ||||
| 17100 | 4750 | 2.75 | 84.6 | 151.5 | ||||
| +4 o | 14688 | 4080 | 5.60 | 83.0 | 269.9 | |||
| 16848 | 4680 | 4.00 | 87.6 | 209.6 | ||||
| 18000 | 5000 | 3.00 | 84.6 | 174.0 | ||||
1200ZQB-125型潛水(shui)軸流泵性能表
| 葉(ye)片安裝角度 | 流量(liàng)(Q) | 揚程(H)m | 轉速r/min | 泵效η% | 功(gong)率(P)kw | 葉輪直徑mm | ||
| M3 /h | L/s | 軸功(gōng)率 | 電機功率 | |||||
| -4o | 8820 | 2450 | 4.20 | 370 | 79.9 | 126.3 | 132 | 1100 |
| 11160 | 3100 | 2.80 | 84.6 | 100.7 | ||||
| 12240 | 3400 | 1.66 | 79.9 | 69.3 | ||||
| -2o | 12240 | 3400 | 4.62 | 79.9 | 192.9 | 220 | ||
| 13788 | 3830 | 2.80 | 84.6 | 124.4 | ||||
| 15300 | 4250 | 1.60 | 79.9 | 83.5 | ||||
| 0o | 13176 | 3660 | 4.80 | 79.9 | 215.7 | |||
| 16200 | 4500 | 3.00 | 84.6 | 156.6 | ||||
| 18000 | 5000 | 1.85 | 79.9 | 113.6 | ||||
| +2o | 15228 | 4230 | 4.75 | 79.9 | 246.7 | 250 | ||
| 18000 | 5000 | 3.30 | 84.6 | 191.4 | ||||
| 19800 | 5500 | 2.20 | 79.9 | 148.6 | ||||
| +4 o | 18360 | 5100 | 4.66 | 79.9 | 291.8 | 300 | ||
| 21096 | 5860 | 3.16 | 83.1 | 218.7 | ||||
| 22320 | 6200 | 2.48 | 78.4 | 192.4 | ||||
1200ZQB-160型潛(qian)水軸流泵性能表(biao)
| 葉片安裝角度 | 流(liú)量(Q) | 揚程(H)m | 轉速r/min | 泵效(xiao)η% | 功率(P)kw | 葉輪直徑mm | ||
| M3 /h | L/s | 軸(zhóu)功率 | 電機功率 | |||||
| -2o | 12031 | 3342 | 4.59 | 490 | 83.4 | 180.4 | 185 | 1000 |
| 13968 | 3880 | 3.29 | 86.6 | 144.6 | ||||
| 15386 | 4274 | 2.11 | 83.4 | 106.1 | ||||
| 0o | 14440 | 4011 | 4.26 | 84.1 | 199.3 | 200 | ||
| 16222 | 4506 | 3.17 | 86.6 | 161.8 | ||||
| 17323 | 4812 | 2.21 | 83.4 | 125.1 | ||||
| +2o | 16402 | 4556 | 4.21 | 83.4 | 225.6 | 250 | ||
| 18112 | 5031 | 3.43 | 85.6 | 197.8 | ||||
| 19058 | 5294 | 2.63 | 84.1 | 162.4 | ||||
1400ZQB-70型(xíng)潛水軸流泵性能(neng)表
| 葉片安裝角度(du) | 流量(Q) | 揚程(H)m | 轉速r/min | 泵(beng)效η% | 功率(P)kw | 葉輪直徑(jing)mm | ||
| M3 /h | L/s | 軸功率 | 電機功率(lǜ) | |||||
| -4o | 12210 | 3392 | 9.50 | 365 | 80.5 | 392.7 | 450 | 1250 |
| 14649 | 4069 | 7.06 | 82.9 | 340.0 | ||||
| 16681 | 4634 | 4.85 | 82.3 | 267.9 | ||||
| -2o | 13132 | 3648 | 9.66 | 80.5 | 429.4 | 480 | ||
| 16912 | 4698 | 6.35 | 85.1 | 343.9 | ||||
| 18660 | 5183 | 4.59 | 81.3 | 287.1 | ||||
| 0o | 14375 | 3993 | 9.83 | 80.5 | 478.3 | 530 | ||
| 18056 | 5016 | 6.56 | 85.1 | 379.3 | ||||
| 20159 | 5600 | 4.44 | 81.3 | 300.0 | ||||
| +2o | 15554 | 4321 | 9.75 | 80.5 | 513.4 | 580 | ||
| 19532 | 5426 | 6.16 | 85.1 | 385.3 | ||||
| 21657 | 6016 | 4.84 | 84.3 | 338.8 | ||||
| +4 o | 17279 | 4800 | 9.50 | 80.5 | 555.7 | 630 | ||
| 20616 | 5727 | 6.96 | 85.1 | 459.5 | ||||
| 22348 | 6208 | 5.35 | 84.3 | 386.5 | ||||
1400ZQB-85型潛水軸流泵性(xing)能表
| 葉片安裝角(jiao)度 | 流量(Q) | 揚程(H)m | 轉速(su)r/min | 泵效η% | 功率(P)kw | 葉輪直(zhí)徑mm | ||
| M3 /h | L/s | 軸功率 | 電機功(gong)率 | |||||
| -4o | 16416 | 4560 | 6.90 | 370 | 83.5 | 369.7 | 400 | 1250 |
| 17906 | 4974 | 5.70 | 85.0 | 327.2 | ||||
| 19012 | 5281 | 4.60 | 83.5 | 285.4 | ||||
| -2o | 17777 | 4938 | 7.20 | 83.5 | 417.7 | 450 | ||
| 19336 | 5371 | 6.00 | 85.0 | 371.9 | ||||
| 20765 | 5768 | 4.70 | 83.5 | 318.5 | ||||
| 0o | 18817 | 5227 | 7.40 | 83.5 | 454.4 | 475 | ||
| 20632 | 5731 | 6.20 | 85.0 | 410.1 | ||||
| 22126 | 6146 | 4.80 | 83.5 | 346.6 | ||||
| +2o | 19530 | 5425 | 7.80 | 83.5 | 497.1 | 530 | ||
| 22061 | 6128 | 6.40 | 85.0 | 452.6 | ||||
| 23746 | 6596 | 5.00 | 83.5 | 387.5 | ||||
| +4 o | 20874 | 5804 | 8.10 | 83.5 | 552.3 | 600 | ||
| 23555 | 6543 | 6.70 | 85.0 | 505.9 | ||||
| 25240 | 7011 | 5.20 | 83.5 | 428.3 | ||||
1400ZQB-100型潛水軸流泵(bèng)性能表
| 葉片安裝(zhuang)角度 | 流量(Q) | 揚程(H)m | 轉(zhuan)速r/min | 泵效η% | 功率(P)kw | 葉輪(lun)直徑mm | ||
| M3 /h | L/s | 軸功率 | 電機(ji)功率 | |||||
| -6o | 12630 | 3510 | 6.04 | 370 | 80.3 | 259.0 | 280 | 1200 |
| 14688 | 4080 | 4.20 | 84.3 | 199.4 | ||||
| 16560 | 4600 | 2.60 | 78.3 | 149.8 | ||||
| -4o | 14976 | 4160 | 5.51 | 84.3 | 266.7 | |||
| 16776 | 4660 | 4.04 | 85.3 | 216.5 | ||||
| 18180 | 5050 | 2.71 | 80.3 | 167.2 | ||||
| -2o | 15300 | 4250 | 6.34 | 82.3 | 321.2 | 335 | ||
| 17064 | 4740 | 5.00 | 86.3 | 269.4 | ||||
| 19800 | 5500 | 2.64 | 80.3 | 177.4 | ||||
| 0o | 17714 | 4921 | 5.71 | 82.3 | 334.9 | 355 | ||
| 19440 | 5400 | 4.40 | 86.3 | 270.1 | ||||
| 21600 | 6000 | 2.50 | 78.3 | 187.9 | ||||
| +2o | 17784 | 4940 | 6.56 | 82.3 | 386.3 | 400 | ||
| 21384 | 5940 | 4.07 | 86.3 | 274.8 | ||||
| 22968 | 6380 | 2.77 | 78.3 | 221.4 | ||||
| +4 o | 20340 | 5650 | 5.85 | 84.3 | 384.6 | |||
| 22428 | 6230 | 4.41 | 86.3 | 312.3 | ||||
| 24192 | 6720 | 3.13 | 78.3 | 263.5 | ||||
| 葉片安(ān)裝角度 | 流量(Q) | 揚程(chéng)(H)m | 轉速r/min | 泵效η% | 功率(P)kw | 葉(ye)輪直徑mm | ||
| M3 /h | L/s | 軸功率 | 電(diàn)機功率 | |||||
| -6o | 14627 | 4063 | 5.85 | 370 | 82.5 | 282.6 | 300 | 1250 |
| 15889 | 4414 | 4.87 | 84.0 | 251.0 | ||||
| 17696 | 4916 | 3.23 | 81.8 | 190.4 | ||||
| -4o | 15746 | 4374 | 6.11 | 82.5 | 317.8 | 335 | ||
| 17496 | 4860 | 4.75 | 85.3 | 265.5 | ||||
| 19302 | 5362 | 3.23 | 82.8 | 205.2 | ||||
| -2o | 17352 | 4820 | 6.17 | 84.0 | 347.3 | 355 | ||
| 19216 | 5338 | 4.91 | 86.2 | 298.3 | ||||
| 21195 | 5888 | 3.23 | 83.2 | 224.2 | ||||
| 0o | 18671 | 5186 | 6.46 | 84.3 | 389.9 | 400 | ||
| 20880 | 5800 | 5.06 | 86.3 | 333.6 | ||||
| 23031 | 6398 | 3.36 | 83.2 | 253.5 | ||||
| +2o | 19962 | 5545 | 6.59 | 83.7 | 428.3 | 450 | ||
| 22090 | 6136 | 5.34 | 86.8 | 370.3 | ||||
| 24551 | 6820 | 3.49 | 80.5 | 290.0 | ||||
| +4 o | 21367 | 5935 | 6.59 | 83.0 | 462.3 | 475 | ||
| 23748 | 6597 | 5.19 | 86.3 | 389.2 | ||||
| 26043 | 7234 | 3.66 | 82.5 | 314.8 | ||||
1400ZQB-125型潛水軸(zhóu)流泵性能表
| 葉片(pian)安裝角度 | 流量(Q) | 揚(yang)程(H)m | 轉速r/min | 泵效η% | 功率(lü)(P)kw | 葉輪直徑mm | ||
| M3 /h | L/s | 軸功率(lǜ) | 電機功率 | |||||
| -4o | 11448 | 3180 | 5.00 | 370 | 80.3 | 194.3 | 200 | 1200 |
| 14400 | 4000 | 3.40 | 84.5 | 157.9 | ||||
| 16200 | 4500 | 1.90 | 80.3 | 104.5 | ||||
| -2o | 14400 | 4000 | 5.60 | 80.3 | 273.7 | 280 | ||
| 18000 | 5000 | 3.20 | 84.8 | 185.1 | ||||
| 19800 | 5500 | 1.90 | 80.3 | 127.7 | ||||
| 0o | 17100 | 4570 | 5.70 | 80.3 | 330.8 | 335 | ||
| 20520 | 5700 | 3.90 | 84.8 | 257.2 | ||||
| 23400 | 6500 | 2.20 | 80.3 | 174.7 | ||||
| +2o | 19800 | 5500 | 5.70 | 80.3 | 383.0 | 400 | ||
| 23400 | 6500 | 3.90 | 84.3 | 293.3 | ||||
| 25776 | 7160 | 2.50 | 80.3 | 218.7 | ||||
| +4 o | 24732 | 6870 | 5.15 | 81.8 | 424.3 | 450 | ||
| 27000 | 7500 | 4.05 | 83.7 | 356.0 | ||||
| 28440 | 7900 | 3.20 | 80.3 | 308.8 | ||||
1600ZQB-70型潛水(shui)軸流泵性能表
| 葉(yè)片安裝角度 | 流量(liàng)(Q) | 揚程(H)m | 轉速r/min | 泵效η% | 功(gōng)率(P)kw | 葉輪直徑mm | ||
| M3 /h | L/s | 軸功(gōng)率 | 電機功率 | |||||
| -4o | 18454 | 5126 | 9.42 | 295 | 81.0 | 584.8 | 600 | 1540 |
| 22140 | 6150 | 7.00 | 83.4 | 506.4 | ||||
| 25211 | 7003 | 4.81 | 82.8 | 399.1 | ||||
| -2o | 19847 | 5513 | 9.58 | 81.0 | 639.6 | 670 | ||
| 25560 | 7100 | 6.30 | 85.6 | 512.6 | ||||
| 28202 | 7834 | 4.55 | 81.8 | 427.5 | ||||
| 0o | 21726 | 6035 | 9.75 | 81.0 | 712.6 | 750 | ||
| 27288 | 7580 | 6.50 | 85.6 | 564.6 | ||||
| 30467 | 8463 | 4.40 | 81.8 | 446.6 | ||||
| +2o | 23508 | 6530 | 9.67 | 81.0 | 764.8 | 800 | ||
| 29520 | 8200 | 6.55 | 85.6 | 615.5 | ||||
| 32731 | 9092 | 4.80 | 84.8 | 504.9 | ||||
| +4 o | 26114 | 7254 | 9.42 | 81.0 | 827.6 | 850 | ||
| 31158 | 8655 | 6.90 | 85.6 | 684.4 | ||||
| 33775 | 9382 | 5.30 | 84.8 | 575.2 | ||||
1600ZQB-85型潛(qian)水軸流泵性能表(biao)
| 葉片安裝角度 | 流(liú)量(Q) | 揚程(H)m | 轉速r/min | 泵效(xiào)η% | 功率(P)kw | 葉輪直徑mm | ||
| M3 /h | L/s | 軸(zhóu)功率 | 電機功率 | |||||
| -4o | 23421 | 6506 | 7.40 | 295 | 82.7 | 571.1 | 600 | 1540 |
| 26316 | 7310 | 5.80 | 85.2 | 488.2 | ||||
| 28948 | 8041 | 4.00 | 82.7 | 381.5 | ||||
| -2o | 25000 | 6944 | 7.50 | 82.7 | 617.8 | 630 | ||
| 27895 | 7749 | 6.20 | 85.2 | 553.2 | ||||
| 31579 | 8772 | 4.00 | 82.7 | 416.2 | ||||
| 0o | 27369 | 7603 | 7.70 | 82.7 | 694.4 | 750 | ||
| 30528 | 8480 | 6.20 | 85.9 | 600.4 | ||||
| 33948 | 9430 | 4.20 | 82.7 | 469.8 | ||||
| +2o | 28948 | 8041 | 7.90 | 82.7 | 753.5 | 800 | ||
| 32893 | 9137 | 6.20 | 85.9 | 646.9 | ||||
| 36184 | 10051 | 4.30 | 82.7 | 512.7 | ||||
| +4 o | 31579 | 8772 | 8.10 | 84.2 | 827.8 | 850 | ||
| 35000 | 9722 | 6.60 | 85.9 | 732.8 | ||||
| 38421 | 10673 | 4.60 | 82.7 | 582.4 | ||||
1600ZQB-100型(xing)潛水軸流泵性能(néng)表
| 葉片安裝角度(dù) | 流量(Q) | 揚程(H)m | 轉速r/min | 泵(beng)效η% | 功率(P)kw | 葉輪直徑(jing)mm | ||
| M3 /h | L/s | 軸功率 | 電機功率(lǜ) | |||||
| -6o | 22104 | 6140 | 5.60 | 295 | 85.5 | 394.5 | 425 | 1540 |
| 24102 | 6670 | 4.80 | 86.0 | 365.2 | ||||
| 26748 | 7430 | 3.20 | 84.8 | 275.1 | ||||
| -4o | 23796 | 6610 | 6.00 | 85.5 | 455.0 | 475 | ||
| 26424 | 7340 | 4.70 | 87.0 | 389.0 | ||||
| 29160 | 8100 | 3.20 | 84.5 | 300.9 | ||||
| -2o | 26244 | 7290 | 6.10 | 85.6 | 509.6 | 530 | ||
| 29052 | 8070 | 4.90 | 87.0 | 445.9 | ||||
| 32040 | 8900 | 3.20 | 84.2 | 331.8 | ||||
| 0o | 28224 | 7840 | 6.40 | 85.6 | 575.0 | 600 | ||
| 31572 | 8770 | 5.00 | 87.8 | 489.9 | ||||
| 34848 | 9680 | 3.35 | 84.2 | 377.8 | ||||
| +2o | 30168 | 8380 | 6.50 | 85.5 | 625.0 | 670 | ||
| 33624 | 9340 | 5.20 | 87.8 | 542.7 | ||||
| 37152 | 10320 | 3.50 | 84.5 | 419.3 | ||||
| +4 o | 31762 | 8823 | 6.50 | 85.5 | 658.0 | 710 | ||
| 35892 | 9970 | 5.20 | 87.8 | 579.3 | ||||
| 39348 | 10930 | 3.50 | 84.5 | 444.1 | ||||
1600ZQB-125型潛水軸流泵性(xing)能表
| 葉片安裝角(jiao)度 | 流量(Q) | 揚程(H)m | 轉速(su)r/min | 泵效η% | 功率(P)kw | 葉輪直(zhí)徑mm | ||
| M3 /h | L/s | 軸功率 | 電機功(gōng)率 | |||||
| -6o | 17464 | 4851 | 3.70 | 295 | 82.6 | 213.2 | 250 | 1540 |
| 19145 | 5318 | 3.00 | 84.6 | 185.7 | ||||
| 20308 | 5641 | 2.40 | 81.0 | 164.0 | ||||
| -4o | 19220 | 5339 | 5.03 | 81.3 | 323.9 | 355 | ||
| 23929 | 6647 | 3.35 | 85.6 | 255.0 | ||||
| 26129 | 7258 | 2.28 | 82.6 | 196.4 | ||||
| -2o | 25351 | 7042 | 5.15 | 82.6 | 430.5 | 450 | ||
| 29232 | 8120 | 3.60 | 85.6 | 343.3 | ||||
| 31950 | 8875 | 2.28 | 82.6 | 240.2 | ||||
| 0o | 30784 | 8551 | 5.03 | 84.3 | 500.3 | 530 | ||
| 35053 | 9737 | 3.60 | 85.6 | 401.5 | ||||
| 38156 | 10599 | 2.40 | 82.0 | 304.1 | ||||
| +2o | 34279 | 9522 | 5.40 | 82.6 | 610.3 | 630 | ||
| 39355 | 10932 | 3.60 | 85.6 | 450.4 | ||||
| 42037 | 11677 | 2.88 | 82.6 | 399.2 | ||||
| +4 o | 41004 | 11390 | 5.15 | 82.6 | 696.2 | 750 | ||
| 44755 | 12432 | 4.31 | 85.2 | 616.6 | ||||
| 46307 | 12863 | 3.60 | 82.6 | 549.6 | ||||
1800ZQBX-70型潛水電泵性(xing)能表
| 葉片安裝角(jiao)度 | 流量(Q) | 揚程(H)m | 轉速(su)r/min | 泵效η% | 功率(P)kw | 葉輪直(zhí)徑mm | ||
| M3 /h | L/s | 軸功率 | 電機功(gōng)率 | |||||
| -4o | 25612 | 7114 | 7.56 | 256.8 | 82.36 | 646.8 | 710 | 1740 |
| 28963 | 8045 | 5.77 | 84.47 | 544.4 | ||||
| 32009 | 8891 | 3.98 | 82.49 | 425.5 | ||||
| -2o | 27628 | 7674 | 7.68 | 83.58 | 698.7 | 800 | ||
| 31573 | 8770 | 5.95 | 85.04 | 608.2 | ||||
| 34986 | 9718 | 4.22 | 84.50 | 480.2 | ||||
| 0o | 29276 | 8132 | 7.79 | 83.59 | 750.8 | |||
| 33532 | 9314 | 6.10 | 85.04 | 661.9 | ||||
| 37359 | 10378 | 4.41 | 85.01 | 533.8 | ||||
| +2o | 31937 | 8871 | 7.98 | 83.45 | 840.3 | 900 | ||
| 36304 | 10084 | 6.32 | 85.04 | 743.0 | ||||
| 40195 | 11165 | 4.67 | 84.87 | 608.5 | ||||
| +4 o | 32531 | 9036 | 8.31 | 82.59 | 920.8 | 1000 | ||
| 38323 | 10645 | 6.50 | 85.04 | 806.0 | ||||
| 41999 | 11666 | 4.84 | 84.14 | 864.8 | ||||
1800ZQBX-70*型潛水電泵性(xìng)能表
| 葉片安裝角(jiǎo)度 | 流量(Q) | 揚程(H)m | 轉速(sù)r/min | 泵效η% | 功率(P)kw | 葉輪直(zhi)徑mm | ||
| M3 /h | L/s | 軸功率 | 電機功(gōng)率 | |||||
| -4o | 33132 | 9203 | 7.32 | 230 | 78.36 | 816.2 | 900 | 1740 |
| 36588 | 10163 | 6.36 | 84.56 | 752.1 | ||||
| 40581 | 11273 | 4.68 | 76.14 | 642.3 | ||||
| -2o | 35159 | 9766 | 7.46 | 82.62 | 869.3 | 1000 | ||
| 38654 | 10737 | 6.52 | 85.54 | 805.8 | ||||
| 42928 | 11924 | 4.88 | 79.82 | 695.1 | ||||
| 0o | 35944 | 9984 | 7.81 | 83.91 | 941.4 | |||
| 40805 | 11335 | 6.70 | 85.54 | 864.7 | ||||
| 45379 | 12605 | 5.10 | 82.79 | 754.8 | ||||
| +2o | 38024 | 10562 | 7.97 | 83.59 | 1002.4 | 1100 | ||
| 42827 | 11896 | 6.87 | 85.54 | 923.2 | ||||
| 47691 | 13248 | 5.31 | 83.00 | 822.1 | ||||
| +4 o | 40274 | 11187 | 8.15 | 82.93 | 1075.1 | |||
| 45300 | 12583 | 7.09 | 85.54 | 1008.0 | ||||
| 50157 | 13933 | 5.56 | 82.12 | 901.3 | ||||
| +6o | 42478 | 11799 | 8.34 | 79.54 | 1154.3 | 1200 | ||
| 47539 | 13205 | 7.30 | 84.70 | 1089.4 | ||||
| 52300 | 14611 | 5.82 | 79.90 | 987.8 | ||||
1800ZQBX-85型潛水電泵性(xing)能表
| 葉片安裝角(jiao)度 | 流量(Q) | 揚程(H)m | 轉速(sù)r/min | 泵效η% | 功率(P)kw | 葉輪直(zhí)徑mm | ||
| M3 /h | L/s | 軸功率 | 電機功(gong)率 | |||||
| -4o | 29658 | 8238 | 6.99 | 256.8 | 81.93 | 695.8 | 800 | 1740 |
| 33514 | 9309 | 5.26 | 85.34 | 568.2 | ||||
| 36667 | 10185 | 3.51 | 79.23 | 446.6 | ||||
| -2o | 32236 | 8954 | 7.16 | 82.09 | 774.2 | 900 | ||
| 36279 | 10078 | 5.48 | 85.34 | 640.5 | ||||
| 39536 | 10982 | 3.75 | 81.60 | 500.2 | ||||
| 0o | 34489 | 9580 | 7.33 | 81.39 | 855.0 | |||
| 38665 | 10740 | 5.68 | 85.34 | 707.6 | ||||
| 41927 | 11646 | 3.97 | 81.85 | 559.6 | ||||
| +2o | 36268 | 10074 | 7.47 | 82.22 | 906.3 | 1000 | ||
| 41005 | 11390 | 5.88 | 85.34 | 778.0 | ||||
| 44746 | 12429 | 4.24 | 82.13 | 636.2 | ||||
| +4 o | 38604 | 10723 | 7.67 | 83.06 | 981.0 | 1100 | ||
| 43619 | 12116 | 6.13 | 85.34 | 862.5 | ||||
| 44746 | 13184 | 4.52 | 82.14 | 719.8 | ||||
1800ZQBX-100型潛水電泵性(xing)能表
| 葉片安裝角(jiao)度 | 流量(Q) | 揚程(H)m | 轉速(su)r/min | 泵效η% | 功率(P)kw | 葉輪直(zhí)徑mm | ||
| M3 /h | L/s | 軸功率 | 電機功(gong)率 | |||||
| -6o | 38693 | 101748 | 5.55 | 256.8 | 85.52 | 512.1 | 560 | 1740 |
| 32423 | 9006 | 3.95 | 86.20 | 409.2 | ||||
| 35238 | 9788 | 2.63 | 80.31 | 317.1 | ||||
| -4o | 31853 | 8848 | 5.71 | 86.23 | 576.7 | 630 | ||
| 35504 | 9862 | 4.14 | 88.05 | 459.7 | ||||
| 38356 | 1054 | 2.83 | 83.75 | 357.2 | ||||
| -2o | 34133 | 9481 | 5.86 | 86.65 | 634.8 | 710 | ||
| 38104 | 10584 | 4.32 | 88.68 | 810.4 | ||||
| 41146 | 11429 | 3.04 | 84.47 | 406.9 | ||||
| 0o | 36729 | 10203 | 6.02 | 86.85 | 701.0 | 800 | ||
| 40775 | 11326 | 4.51 | 88.68 | 570.4 | ||||
| 43803 | 12168 | 3.24 | 85.35 | 457.6 | ||||
| +2o | 39184 | 10884 | 6.19 | 86.55 | 771.5 | |||
| 43571 | 12103 | 4.74 | 88.68 | 635.9 | ||||
| 46671 | 12964 | 3.47 | 85.48 | 521.9 | ||||
| +4 o | 41592 | 11553 | 6.37 | 84.36 | 864.2 | 900 | ||
| 46063 | 12795 | 4.92 | 88.68 | 703.9 | ||||
| 49451 | 13736 | 3.72 | 85.62 | 590.9 | ||||
| 葉片安裝角(jiǎo)度 | 流量(Q) | 揚程(H)m | 轉速(su)r/min | 泵效η% | 功率(P)kw | 葉輪直(zhi)徑mm | ||
| M3 /h | L/s | 軸功率 | 電機功(gōng)率 | |||||
| -6o | 21681 | 6023 | 3.93 | 256.8 | 81.29 | 288.1 | 330 | 1740 |
| 24982 | 6939 | 2.82 | 83.10 | 232.9 | ||||
| 27657 | 7683 | 1.79 | 75.98 | 179.6 | ||||
| -4o | 27898 | 7749 | 4.21 | 84.24 | 383.2 | 425 | ||
| 31840 | 8844 | 2.92 | 85.34 | 299.7 | ||||
| 33917 | 9421 | 2.14 | 80.82 | 247.5 | ||||
| -2o | 33939 | 9428 | 4.54 | 84.53 | 502.0 | 560 | ||
| 37870 | 10519 | 3.30 | 85.34 | 403.0 | ||||
| 40789 | 11330 | 2.31 | 83.10 | 311.9 | ||||
| 0o | 39421 | 10950 | 4.91 | 83.92 | 634.7 | 710 | ||
| 43781 | 12161 | 3.74 | 85.34 | 527.7 | ||||
| 47046 | 13068 | 2.81 | 84.04 | 432.6 | ||||
| +2o | 43849 | 12180 | 5.24 | 82.84 | 763.8 | 900 | ||
| 48544 | 13484 | 4.14 | 85.34 | 647.6 | ||||
| 52086 | 14468 | 3.26 | 84.26 | 554.3 | ||||
| +4 o | 49653 | 13793 | 5.74 | 78.49 | 998.4 | 1100 | ||
| 54552 | 15153 | 4.70 | 83.93 | 840.5 | ||||
| 58084 | 16134 | 3.86 | 83.39 | 739.8 | ||||
1800ZQBX-160型潛水電泵性(xing)能表
| 葉片安裝角(jiao)度 | 流量(Q) | 揚程(H)m | 轉速(su)r/min | 泵效η% | 功率(P)kw | 葉輪直(zhí)徑mm | ||
| M3 /h | L/s | 軸功率 | 電機功(gōng)率 | |||||
| -2o | 36181 | 10050 | 3.26 | 256.8 | 82.60 | 392.3 | 450 | 1740 |
| 39612 | 11003 | 2.39 | 83.72 | 311.5 | ||||
| 41301 | 11473 | 1.91 | 81.71 | 266.5 | ||||
| 0o | 41218 | 11449 | 3.41 | 82.85 | 466.6 | 500 | ||
| 44008 | 12224 | 2.72 | 83.72 | 393.3 | ||||
| 45603 | 12668 | 2.25 | 83.07 | 339.3 | ||||
| +2o | 46639 | 12955 | 3.53 | 81.04 | 558.0 | 630 | ||
| 48555 | 13488 | 3.09 | 83.72 | 493.6 | ||||
| 50103 | 13918 | 2.63 | 83.20 | 435.6 | ||||
2000ZQBX-70型潛水電泵性(xìng)能表
| 葉片安裝角(jiao)度 | 流量(Q) | 揚程(H)m | 轉速(su)r/min | 泵效η% | 功率(P)kw | 葉輪直(zhí)徑mm | ||
| M3 /h | L/s | 軸功率 | 電機功(gong)率 | |||||
| -4o | 32509 | 9030 | 7.02 | 215 | 82.59 | 759.8 | 800 | 2000 |
| 37719 | 10478 | 4.97 | 84.64 | 609.2 | ||||
| 40739 | 11316 | 3.67 | 82.75 | 496.9 | ||||
| -2o | 35155 | 9765 | 7.11 | 83.92 | 819.1 | 900 | ||
| 41409 | 11503 | 5.06 | 85.34 | 676.2 | ||||
| 44497 | 12360 | 3.89 | 94.89 | 562.4 | ||||
| 0o | 37330 | 10369 | 7.18 | 84.02 | 878.2 | 1000 | ||
| 44253 | 12293 | 5.14 | 85.34 | 734.1 | ||||
| 47503 | 13195 | 4.09 | 85.31 | 626.6 | ||||
| +2o | 40872 | 11353 | 7.32 | 84.06 | 979.2 | 1100 | ||
| 48144 | 13373 | 5.26 | 85.34 | 817.0 | ||||
| 51078 | 14188 | 4.34 | 85.20 | 715.5 | ||||
| +4 o | 43637 | 12121 | 7.43 | 83.53 | 1068.4 | 1200 | ||
| 50855 | 14126 | 5.35 | 85.34 | 877.5 | ||||
| 53335 | 14815 | 4.50 | 84.55 | 781.7 | ||||
2000ZQBX-85型潛水電泵性(xing)能表
| 葉片安裝角(jiao)度 | 流量(Q) | 揚程(H)m | 轉速(su)r/min | 泵效η% | 功率(P)kw | 葉輪直(zhi)徑mm | ||
| M3 /h | L/s | 軸功率 | 電機功(gōng)率 | |||||
| -4o | 36347 | 10096 | 6.83 | 215 | 80.87 | 845.2 | 900 | 1740 |
| 42186 | 11718 | 5.02 | 85.54 | 681.2 | ||||
| 46758 | 12988 | 3.18 | 78.87 | 519.5 | ||||
| -2o | 39781 | 10096 | 6.94 | 80.69 | 941.5 | 1000 | ||
| 45894 | 11718 | 5.15 | 85.54 | 760.7 | ||||
| 50592 | 12988 | 3.34 | 81.22 | 571.7 | ||||
| 0o | 42733 | 11870 | 7.84 | 79.79 | 1037.3 | 1100 | ||
| 49098 | 13638 | 5.28 | 85.54 | 833.2 | ||||
| 53793 | 14943 | 3.47 | 81.96 | 626.8 | ||||
| +2o | 45055 | 12515 | 7.12 | 81.04 | 1089.6 | 1200 | ||
| 52299 | 14528 | 5.41 | 85.54 | 909.0 | ||||
| 57688 | 16024 | 3.65 | 81.42 | 710.9 | ||||
| +4 o | 48292 | 13414 | 7.24 | 82.30 | 1169.6 | |||
| 55899 | 15528 | 5.56 | 85.54 | 1000.5 | ||||
| 61403 | 17056 | 3.83 | 81.40 | 794.0 | ||||
2000ZQBX-100型潛水電泵性(xìng)能表
| 葉片安裝角(jiao)度 | 流量(Q) | 揚程(H)m | 轉速(sù)r/min | 泵效η% | 功率(P)kw | 葉輪直(zhi)徑mm | ||
| M3 /h | L/s | 軸功率 | 電機功(gōng)率 | |||||
| -6o | 34705 | 9640 | 5.64 | 215 | 83.57 | 645.1 | 710 | 2000 |
| 40293 | 11193 | 3.96 | 86.95 | 505.6 | ||||
| 44425 | 12340 | 2.57 | 81.61 | 384.3 | ||||
| -4o | 38593 | 10720 | 5.73 | 85.21 | 749.8 | 800 | ||
| 44415 | 12338 | 4.07 | 88.68 | 560.2 | ||||
| 48627 | 13508 | 2.68 | 84.16 | 425.7 | ||||
| -2o | 41959 | 11655 | 5.80 | 85.59 | 783.0 | 900 | ||
| 47896 | 13304 | 4.16 | 88.88 | 616.5 | ||||
| 52385 | 14551 | 2.79 | 84.55 | 475.0 | ||||
| 0o | 45448 | 12624 | 5.89 | 86.05 | 856.3 | |||
| 54546 | 15152 | 4.26 | 88.88 | 680.1 | ||||
| 56021 | 15561 | 2.90 | 84.77 | 527.1 | ||||
| +2o | 18749 | 13541 | 5.98 | 85.39 | 939.6 | 1000 | ||
| 55247 | 15346 | 4.37 | 88.88 | 748.2 | ||||
| 59970 | 16658 | 3.03 | 84.45 | 592.2 | ||||
| +4 o | 52068 | 14463 | 6.08 | 83.85 | 1038.4 | 1100 | ||
| 58847 | 16346 | 4.49 | 88.88 | 818.5 | ||||
| 63894 | 17748 | 3.17 | 84.19 | 661.9 | ||||
2000ZQBX-125型潛水電泵性(xing)能表
| 葉片安裝角(jiǎo)度 | 流量(Q) | 揚程(H)m | 轉速(sù)r/min | 泵效η% | 功率(P)kw | 葉輪直(zhí)徑mm | ||
| M3 /h | L/s | 軸功率 | 電機功(gōng)率 | |||||
| -6o | 25061 | 6961 | 4.18 | 215 | 78.36 | 367.8 | 400 | 2000 |
| 31138 | 8649 | 2.78 | 84.56 | 281.4 | ||||
| 35191 | 9775 | 1.65 | 76.14 | 210.4 | ||||
| -4o | 33401 | 9278 | 4.32 | 8262 | 480.5 | 560 | ||
| 35915 | 9976 | 2.95 | 85.54 | 374.6 | ||||
| 43601 | 12111 | 1.84 | 79.82 | 277.3 | ||||
| -2o | 41790 | 11608 | 4.50 | 83.91 | 616.8 | 710 | ||
| 47727 | 13258 | 3.15 | 85.54 | 484.0 | ||||
| 52093 | 14470 | 2.08 | 82.97 | 358.9 | ||||
| 0o | 49343 | 13706 | 4.70 | 83.59 | 763.1 | 800 | ||
| 55996 | 15554 | 3.40 | 85.54 | 612.1 | ||||
| 60941 | 16928 | 2.36 | 83.00 | 477.5 | ||||
| +2o | 55618 | 15449 | 4.89 | 82.93 | 901.8 | 1000 | ||
| 62875 | 17465 | 3.63 | 85.54 | 734.7 | ||||
| 68297 | 18971 | 2.64 | 82.12 | 603.3 | ||||
| +4 o | 64045 | 17790 | 5.17 | 79.54 | 1146.5 | |||
| 71605 | 19890 | 3.97 | 84.70 | 923.2 | ||||
| 76948 | 21374 | 8.00 | 79.90 | 794.1 | ||||
2000ZQBX-160型潛水電泵性(xìng)能表
| 葉片安裝角(jiǎo)度 | 流量(Q) | 揚程(H)m | 轉速(su)r/min | 泵效η% | 功率(P)kw | 葉輪直(zhi)徑mm | ||
| M3 /h | L/s | 軸功率 | 電機功(gong)率 | |||||
| -2o | 45189 | 12553 | 3.15 | 215 | 81.94 | 478.6 | 560 | 2000 |
| 50027 | 13896 | 2.28 | 84.03 | 373.3 | ||||
| 52590 | 14608 | 1.75 | 81.86 | 309.4 | ||||
| 0o | 51348 | 14263 | 3.32 | 81.95 | 571.7 | 630 | ||
| 56219 | 15616 | 2.46 | 84.03 | 452.4 | ||||
| 58599 | 16278 | 1.93 | 81.84 | 380.6 | ||||
| +2o | 38145 | 10596 | 3.42 | 80.47 | 679.4 | 710 | ||
| 62699 | 17416 | 2.67 | 84.03 | 547.5 | ||||
| 64852 | 18014 | 2.14 | 81.48 | 468.8 | ||||
2400ZQBX-70型潛水電泵性(xing)能表
| 葉片安裝角(jiao)度 | 流量(Q) | 揚程(H)m | 轉速(su)r/min | 泵效η% | 功率(P)kw | 葉輪直(zhí)徑mm | ||
| M3 /h | L/s | 軸功率 | 電機功(gong)率 | |||||
| -4o | 46891 | 13025 | 5.57 | 176.5 | 84.80 | 847.3 | 900 | 2350 |
| 50232 | 13953 | 4.62 | 84.95 | 752.2 | ||||
| 54009 | 15003 | 3.49 | 83.24 | 623.0 | ||||
| -2o | 52083 | 14468 | 5.45 | 85.64 | 912.8 | 1000 | ||
| 55877 | 15521 | 4.52 | 85.64 | 812.1 | ||||
| 59376 | 16493 | 3.59 | 85.05 | 689.9 | ||||
| 0o | 55549 | 15430 | 5.52 | 85.64 | 984.8 | 1100 | ||
| 59790 | 16608 | 4.60 | 85.64 | 883.6 | ||||
| 63783 | 17718 | 3.68 | 85.32 | 757.5 | ||||
| +2o | 60672 | 16853 | 5.62 | 85.64 | 1095.1 | 1200 | ||
| 64996 | 18054 | 4.71 | 85.64 | 983.32 | ||||
| 69046 | 19179 | 3.80 | 84.67 | 852.5 | ||||
| +4 o | 64427 | 17896 | 5.70 | 85.64 | 1179.2 | 1300 | ||
| 68542 | 19039 | 4.79 | 85.64 | 1054.4 | ||||
| 72293 | 20081 | 3.88 | 83.08 | 928.2 | ||||
2400ZQBX-100型潛水電泵性(xìng)能表
| 葉片安裝角(jiǎo)度 | 流量(Q) | 揚程(H)m | 轉速(sù)r/min | 泵效η% | 功率(P)kw | 葉輪直(zhí)徑mm | ||
| M3 /h | L/s | 軸功率 | 電機功(gōng)率 | |||||
| -6o | 49395 | 13721 | 4.57 | 176.5 | 86.60 | 720.6 | 800 | 2350 |
| 54703 | 15195 | 3.45 | 86.70 | 599.6 | ||||
| 58624 | 16284 | 2.52 | 82.86 | 490.9 | ||||
| -4o | 54941 | 15261 | 4.66 | 87.40 | 805.7 | 900 | ||
| 60215 | 16726 | 3.55 | 88.39 | 665.5 | ||||
| 64204 | 17834 | 2.63 | 84.91 | 546.3 | ||||
| -2o | 59416 | 16504 | 4.74 | 88.12 | 878.7 | 1000 | ||
| 64895 | 18026 | 3.64 | 89.08 | 729.5 | ||||
| 69161 | 19211 | 2.73 | 85.50 | 606.6 | ||||
| 0o | 64218 | 17838 | 4.83 | 88.46 | 964.0 | |||
| 69777 | 19383 | 3.74 | 89.08 | 805.8 | ||||
| 74014 | 20559 | 2.83 | 86.02 | 670.3 | ||||
| +2o | 68837 | 19121 | 4.92 | 88.36 | 1054.5 | 1100 | ||
| 74737 | 20760 | 3.85 | 89.08 | 888.3 | ||||
| 79219 | 22005 | 2.95 | 85.42 | 753.4 | ||||
| +4 o | 73413 | 20393 | 5.02 | 87.04 | 1164.6 | 1300 | ||
| 79615 | 22115 | 3.96 | 89.08 | 974.4 | ||||
| 84407 | 23446 | 3.08 | 85.12 | 840.7 | ||||
2400ZQBX-125型潛水電泵性(xing)能表
| 葉片安裝角(jiǎo)度 | 流量(Q) | 揚程(H)m | 轉速(sù)r/min | 泵效η% | 功率(P)kw | 葉輪直(zhí)徑mm | ||
| M3 /h | L/s | 軸功率 | 電機功(gong)率 | |||||
| -6o | 32884 | 9134 | 3.96 | 176.5 | 78.18 | 458.3 | 500 | 2000 |
| 41099 | 11416 | 2.65 | 85.07 | 352.4 | ||||
| 46006 | 12779 | 1.71 | 77.49 | 280.0 | ||||
| -4o | 43979 | 12216 | 4.09 | 82.47 | 599.8 | 630 | ||
| 52252 | 14514 | 2.81 | 85.85 | 469.9 | ||||
| 57202 | 15889 | 1.89 | 81.84 | 362.7 | ||||
| -2o | 55236 | 15343 | 4.25 | 84.05 | 769.7 | 800 | ||
| 63210 | 17558 | 2.99 | 85.85 | 606.5 | ||||
| 68452 | 19014 | 2.10 | 84.04 | 469.7 | ||||
| 0o | 65223 | 18118 | 4.43 | 83.57 | 951.7 | 1000 | ||
| 74169 | 20603 | 3.22 | 85.85 | 764.7 | ||||
| 80112 | 22253 | 2.35 | 84.16 | 616.3 | ||||
| +2o | 73553 | 20431 | 4.60 | 82.89 | 1124.0 | 1200 | ||
| 83323 | 23145 | 3.43 | 85.85 | 916.3 | ||||
| 89847 | 24958 | 2.60 | 83.58 | 768.5 | ||||
2400ZQBX-160型潛水電泵性(xìng)能表
| 葉片安裝角(jiǎo)度 | 流量(Q) | 揚程(H)m | 轉速(su)r/min | 泵效η% | 功率(P)kw | 葉輪直(zhí)徑mm | ||
| M3 /h | L/s | 軸功率 | 電機功(gong)率 | |||||
| -2o | 61752 | 17153 | 2.75 | 176.5 | 83.92 | 556.9 | 630 | 2350 |
| 65849 | 18291 | 2.23 | 84.33 | 478.2 | ||||
| 69561 | 19323 | 1.70 | 82.86 | 392.3 | ||||
| 0o | 70055 | 19460 | 2.91 | 83.68 | 669.9 | 710 | ||
| 74154 | 20598 | 2.39 | 84.33 | 579.2 | ||||
| 77610 | 21558 | 1.87 | 82.91 | 481.5 | ||||
| +2o | 78445 | 21790 | 3.09 | 81.46 | 818.3 | 900 | ||
| 82729 | 22980 | 2.59 | 84.33 | 698.5 | ||||
| 85951 | 23875 | 2.07 | 82.30 | 593.8 | ||||
350HQB-50型潛水混流泵(bèng)性能表
| 葉片安裝(zhuāng)角度 | 流量(Q) | 揚程(H)m | 轉(zhuǎn)速r/min | 泵效η% | 功率(P)kw | 葉輪(lún)直徑mm | ||
| M3 /h | L/s | 軸功率 | 電機(ji)功率 | |||||
| -4o | 1061 | 293 | 12.13 | 1450 | 80.0 | 40.0 | 45 | 332 |
| 1110 | 308 | 12.13 | 81.0 | 38.1 | ||||
| 1143 | 317.6 | 9.75 | 82.0 | 37.3 | ||||
500HQB-50型潛水混流(liú)泵性能表
| 葉片安(an)裝角度 | 流量 | 揚程(cheng)(H)m | 轉速r/min | 泵效η% | 功率(P)kw | 葉(yè)輪直徑mm | ||
| M3 /h | L/s | 軸功率 | 電(dian)機功率 | |||||
| -4o | 1620 | 450 | 10.80 | 980 | 81.4 | 58.6 | 65 | 424.5 |
| 1775 | 493 | 9.20 | 82.3 | 54.1 | ||||
| 1861 | 517 | 8.00 | 81.4 | 49.8 | ||||
| -2o | 1757 | 488 | 11.70 | 81.4 | 68.8 | 75 | ||
| 1948 | 541 | 10.00 | 83.7 | 63.4 | ||||
| 2102 | 584 | 8.00 | 81.4 | 56.3 | ||||
| 0o | 1872 | 520 | 12.60 | 81.4 | 79.0 | 90 | ||
| 2157 | 599 | 10.00 | 84.0 | 70.0 | ||||
| 2318 | 644 | 8.00 | 81.4 | 62.1 | ||||
| +2o | 2016 | 560 | 13.40 | 81.4 | 90.4 | 110 | ||
| 2340 | 650 | 11.00 | 84.0 | 83.5 | ||||
| 2567 | 713 | 8.20 | 81.4 | 70.5 | ||||
500HQB-50A型潛水混(hun)流泵性能表
| 葉片(piàn)安裝角度 | 流量 | 揚(yáng)程(H)m | 轉速r/min | 泵效η% | 功率(lǜ)(P)kw | 葉輪直徑mm | ||
| M3 /h | L/s | 軸功率(lǜ) | 電機功率 | |||||
| -4o | 1494 | 415 | 8.00 | 980 | 80.6 | 40.4 | 55 | 424.5 |
| 1620 | 450 | 6.80 | 83.7 | 35.9 | ||||
| 1800 | 500 | 5.20 | 80.6 | 31.6 | ||||
| -2o | 1620 | 450 | 8.50 | 81.7 | 45.9 | |||
| 1800 | 500 | 7.30 | 83.7 | 42.8 | ||||
| 1958 | 544 | 6.00 | 81.7 | 39.2 | ||||
| 0o | 1728 | 480 | 9.50 | 79.8 | 56.1 | 75 | ||
| 1980 | 550 | 8.00 | 83.7 | 51.6 | ||||
| 2196 | 610 | 6.00 | 80.6 | 44.5 | ||||
| +2o | 1958 | 544 | 9.50 | 81.7 | 62.0 | |||
| 2160 | 600 | 8.20 | 83.7 | 57.7 | ||||
| 2318 | 644 | 6.80 | 80.6 | 53.3 | ||||
| -4o | 2052 | 570 | 10.00 | 80.0 | 69.9 | |||
| 2268 | 630 | 8.70 | 83.7 | 64.2 | ||||
| 2466 | 685 | 7.00 | 79.8 | 58.9 | ||||
600HQB-50型潛水(shui)混流泵性能表
| 葉(yè)片安裝角度 | 流量(liàng) | 揚程(H)m | 轉速r/min | 泵效η% | 功(gong)率(P)kw | 葉輪直徑mm | ||
| M3 /h | L/s | 軸功(gong)率 | 電機功率 | |||||
| -4o | 1602 | 445 | 14.30 | 980 | 77.0 | 81.1 | 90 | 471 |
| 2088 | 580 | 12.13 | 82.5 | 70.3 | ||||
| 2304 | 640 | 7.42 | 77.0 | 60.5 | ||||
| -2o | 1710 | 475 | 15.20 | 77.0 | 92.0 | 110 | ||
| 2322 | 645 | 11.00 | 83.0 | 83.9 | ||||
| 2574 | 715 | 7.50 | 77.0 | 68.3 | ||||
| 0o | 1847 | 513 | 15.90 | 77.0 | 103.9 | 132 | ||
| 2459 | 683 | 12.00 | 83.9 | 95.8 | ||||
| 2844 | 790 | 7.65 | 77.0 | 77.0 | ||||
| +2o | 2052 | 570 | 16.80 | 77.0 | 122.0 | |||
| 2808 | 780 | 12.00 | 83.9 | 109.4 | ||||
| 3186 | 885 | 7.90 | 77.0 | 89.1 | ||||
600HQB-50A型潛(qian)水混流泵性能表(biao)
| 葉片安裝角度 | 流(liú)量 | 揚程(H)m | 轉速r/min | 泵效(xiao)η% | 功率(P)kw | 葉輪直徑mm | ||
| M3 /h | L/s | 軸(zhóu)功率 | 電機功率 | |||||
| -4o | 1602 | 445 | 12.90 | 980 | 77.0 | 73.1 | 75 | 471 |
| 2106 | 585 | 9.00 | 82.5 | 62.6 | ||||
| 2412 | 670 | 5.80 | 77.0 | 49.5 | ||||
| -2o | 1782 | 495 | 13.65 | 77.0 | 86.1 | 90 | ||
| 2322 | 645 | 10.00 | 83.9 | 75.4 | ||||
| 2718 | 755 | 5.90 | 77.0 | 56.8 | ||||
| 0o | 1926 | 535 | 14.20 | 77.0 | 96.8 | 110 | ||
| 2520 | 700 | 10.50 | 83.9 | 85.9 | ||||
| 2952 | 820 | 6.25 | 77.0 | 65.3 | ||||
| +2o | 2070 | 575 | 14.70 | 77.0 | 107.7 | |||
| 2700 | 750 | 11.00 | 83.9 | 96.5 | ||||
| 3118 | 866 | 6.70 | 77.0 | 73.9 | ||||
700HQB-50型(xíng)潛水混流泵性能(néng)表
| 葉片安裝角度(du) | 流量 | 揚程(H)m | 轉速r/min | 泵(bèng)效η% | 功率(P)kw | 葉輪直徑(jing)mm | ||
| M3 /h | L/s | 軸功率 | 電機功率(lǜ) | |||||
| -4o | 2340 | 650 | 11.00 | 730 | 80.0 | 87.8 | 90 | 571.5 |
| 2844 | 790 | 8.00 | 83.0 | 74.7 | ||||
| 3024 | 840 | 6.60 | 80.5 | 67.6 | ||||
| -2o | 2736 | 760 | 10.80 | 82.3 | 97.8 | 110 | ||
| 3114 | 865 | 9.00 | 84.5 | 90.4 | ||||
| 3395 | 943 | 6.50 | 80.0 | 75.2 | ||||
| 0o | 2645 | 735 | 12.13 | 80.5 | 109.25 | |||
| 3240 | 900 | 10.00 | 84.5 | 104.5 | ||||
| 3701 | 1028 | 7.00 | 81.0 | 87.2 | ||||
| +2o | 2870 | 825 | 13.00 | 80.2 | 131.2 | 132 | ||
| 3492 | 970 | 11.00 | 84.5 | 123.9 | ||||
| 4122 | 1145 | 7.60 | 82.0 | 104.1 | ||||
900HQB-50型潛水混流泵性(xìng)能表
| 葉片安裝角(jiǎo)度 | 流量 | 揚程(H)m | 轉速(sù)r/min | 泵效η% | 功率(P)kw | 葉輪直(zhí)徑mm | ||
| M3 /h | L/s | 軸功率 | 電機功(gōng)率 | |||||
| -4o | 4068 | 1130 | 13.10 | 590 | 80.0 | 181.5 | 220 | 755.5 |
| 5303 | 1473 | 9.20 | 84.2 | 157.9 | ||||
| 5724 | 1590 | 6.80 | 80.0 | 132.6 | ||||
| -2o | 4828 | 1341 | 13.00 | 82.0 | 208.6 | 250 | ||
| 5688 | 1580 | 10.50 | 84.8 | 191.9 | ||||
| 6336 | 1760 | 7.40 | 81.0 | 157.7 | ||||
| 0o | 5220 | 1450 | 13.70 | 82.7 | 235.6 | 280 | ||
| 6495 | 1804 | 10.00 | 85.0 | 208.2 | ||||
| 6948 | 1930 | 7.93 | 80.5 | 186.5 | ||||
| +2o | 5447 | 1513 | 15.00 | 80.7 | 275.9 | 300 | ||
| 6732 | 1870 | 12.00 | 85.5 | 257.5 | ||||
| 7632 | 2120 | 9.00 | 81.0 | 231.1 | ||||
900HQB-50D型潛水混流泵(bèng)性能表
| 葉片安裝(zhuāng)角度 | 流量 | 揚程(H)m | 轉(zhuan)速r/min | 泵效η% | 功率(P)kw | 葉輪(lún)直徑mm | ||
| M3 /h | L/s | 軸功率 | 電機(ji)功率 | |||||
| -4o | 3790 | 1053 | 8.80 | 490 | 79.2 | 114.8 | 132 | 755.5 |
| 5097 | 1416 | 6.00 | 84.2 | 99.0 | ||||
| 5587 | 1552 | 4.30 | 81.7 | 80.1 | ||||
| -2o | 4500 | 1250 | 9.00 | 81.7 | 135.1 | 160 | ||
| 5400 | 1500 | 7.00 | 85.4 | 120.6 | ||||
| 6300 | 1750 | 4.20 | 80.4 | 89.7 | ||||
| 0o | 4500 | 1250 | 9.80 | 79.2 | 151.7 | |||
| 6016 | 1671 | 7.00 | 85.4 | 134.4 | ||||
| 6687 | 1858 | 5.00 | 82.5 | 110.4 | ||||
| +2o | 4831 | 1342 | 12.13 | 79.4 | 167.5 | 185 | ||
| 6300 | 1750 | 7.50 | 85.4 | 150.8 | ||||
| 7200 | 2000 | 5.10 | 81.7 | 122.5 | ||||
| +4o | 5587 | 1552 | 10.00 | 81.7 | 186.3 | 200 | ||
| 6861 | 1906 | 8.00 | 84.2 | 177.6 | ||||
| 7756 | 2154 | 5.80 | 81.7 | 150.0 | ||||
| +6o | 6393 | 1776 | 10.00 | 84.0 | 207.4 | 220 | ||
| 7200 | 2000 | 8.80 | 84.2 | 205.4 | ||||
| 8100 | 2250 | 6.90 | 81.7 | 186.4 | ||||
1200HQB-50型潛水混流(liú)泵性能表
| 葉片安(ān)裝角度 | 流量 | 揚程(cheng)(H)m | 轉速r/min | 泵效η% | 功率(P)kw | 葉(ye)輪直徑mm | ||
| M3 /h | L/s | 軸功率 | 電(diàn)機功率 | |||||
| -4o | 7236 | 2010 | 15.00 | 490 | 81.0 | 365.2 | 400 | 978.6 |
| 8701 | 2417 | 12.00 | 84.5 | 336.7 | ||||
| 9918 | 2755 | 9.20 | 84.2 | 295.3 | ||||
| -2o | 8305 | 2307 | 15.20 | 81.8 | 420.5 | 450 | ||
| 10440 | 2900 | 12.13 | 86.2 | 372.9 | ||||
| 11318 | 3144 | 8.40 | 82.2 | 315.2 | ||||
| 0o | 9720 | 2700 | 15.00 | 83.7 | 474.7 | 500 | ||
| 11326 | 3146 | 12.00 | 86.4 | 428.7 | ||||
| 12420 | 3450 | 9.00 | 81.5 | 373.7 | ||||
| +2o | 10780 | 2994 | 15.70 | 85.0 | 542.6 | 560 | ||
| 11912 | 3309 | 14.20 | 87.2 | 528.6 | ||||
| 12874 | 3576 | 12.13 | 86.9 | 492.5 | ||||
1200HQB-50A型潛水混(hùn)流泵性能表
| 葉片(piàn)安裝角度 | 流量 | 揚(yáng)程(H)m | 轉速r/min | 泵效η% | 功率(lü)(P)kw | 葉輪直徑mm | ||
| M3 /h | L/s | 軸功率(lü) | 電機功率 | |||||
| -4o | 6976 | 1938 | 13.40 | 480 | 79.8 | 298.3 | 315 | 978.6 |
| 9014 | 2504 | 9.80 | 85.4 | 290.0 | ||||
| 10421 | 2895 | 6.90 | 83.0 | 236.1 | ||||
| -2o | 8106 | 2252 | 13.80 | 81.0 | 355.3 | 400 | ||
| 10446 | 2902 | 9.80 | 85.8 | 339.4 | ||||
| 11668 | 3241 | 6.90 | 82.2 | 266.9 | ||||
| 0o | 9891 | 2749 | 13.00 | 85.2 | 407.4 | 425 | ||
| 11668 | 3241 | 9.80 | 86.0 | 384.7 | ||||
| 12826 | 3563 | 6.90 | 81.0 | 297.7 | ||||
| +2o | 10557 | 2933 | 13.50 | 85.2 | 455.8 | 475 | ||
| 12737 | 3538 | 9.80 | 86.0 | 395.5 | ||||
| 14020 | 3894 | 6.90 | 81.0 | 325.4 | ||||
1400HQB-50型潛水(shui)混流泵性能表
| 葉(ye)片安裝角度 | 流量(liang) | 揚程(H)m | 轉速r/min | 泵效η% | 功(gong)率(P)kw | 葉輪直徑mm | ||
| M3 /h | L/s | 軸功(gong)率 | 電機功率 | |||||
| -4o | 10980 | 3050 | 14.00 | 370 | 81.0 | 517.1 | 560 | 1247 |
| 14400 | 4000 | 10.00 | 85.6 | 458.4 | ||||
| 15840 | 4400 | 7.20 | 81.0 | 383.7 | ||||
| -2o | 12060 | 3350 | 14.80 | 81.0 | 600.5 | 630 | ||
| 16200 | 4500 | 10.80 | 86.7 | 549.9 | ||||
| 17820 | 4950 | 7.30 | 81.0 | 437.6 | ||||
| 0o | 12960 | 3600 | 15.40 | 81.0 | 671.4 | 710 | ||
| 17280 | 4800 | 11.50 | 86.7 | 624.6 | ||||
| 19620 | 5450 | 7.40 | 81.0 | 488.4 | ||||
| +2o | 14220 | 3950 | 16.30 | 81.0 | 779.8 | 850 | ||
| 19080 | 5300 | 12.00 | 86.7 | 719.6 | ||||
| 21600 | 6000 | 7.70 | 81.0 | 559.5 | ||||
1400HQB-50A型潛(qián)水混流泵性能表(biao)
| 葉片安裝角度 | 流(liú)量 | 揚程(H)m | 轉速r/min | 泵效(xiào)η% | 功率(P)kw | 葉輪直徑mm | ||
| M3 /h | L/s | 軸(zhóu)功率 | 電機功率 | |||||
| -4o | 11660 | 3239 | 12.50 | 365 | 81.0 | 490.3 | 530 | 1247 |
| 14400 | 4000 | 9.00 | 85.6 | 412.6 | ||||
| 16560 | 4600 | 3.50 | 81.0 | 195.0 | ||||
| -2o | 12240 | 3400 | 13.25 | 81.0 | 545.6 | 600 | ||
| 16200 | 4500 | 9.50 | 86.7 | 483.7 | ||||
| 18720 | 5200 | 5.80 | 81.0 | 365.3 | ||||
| 0o | 13320 | 3700 | 13.80 | 81.0 | 618.4 | 670 | ||
| 17460 | 4850 | 10.00 | 86.7 | 548.8 | ||||
| 20520 | 5700 | 6.05 | 81.0 | 417.7 | ||||
| +2o | 14400 | 4000 | 14.30 | 81.0 | 692.8 | 750 | ||
| 18360 | 5100 | 11.00 | 86.7 | 634.8 | ||||
| 21960 | 6100 | 6.40 | 81.0 | 472.8 | ||||
1600HQB-50A型(xing)潛水混流泵性能(neng)表
| 葉片安裝角度(du) | 流量 | 揚程(H)m | 轉速r/min | 泵(beng)效η% | 功率(P)kw | 葉輪直徑(jing)mm | ||
| M3 /h | L/s | 軸功率 | 電機功率(lǜ) | |||||
| -4o | 19872 | 5520 | 3.71 | 245 | 86.1 | 233.3 | 355 | 1480 |
| 18936 | 5260 | 4.47 | 87.2 | 264.5 | ||||
| 18036 | 5010 | 5.08 | 88.5 | 282.1 | ||||
| 16596 | 4610 | 6.04 | 87.9 | 310.8 | ||||
| 15408 | 4280 | 6.71 | 85.3 | 330.3 | ||||
| -2o | 22104 | 6140 | 4.09 | 85.6 | 287.8 | 400 | ||
| 21240 | 5900 | 4.73 | 87.5 | 312.9 | ||||
| 20196 | 5610 | 5.37 | 88.8 | 332.8 | ||||
| 18108 | 5030 | 6.52 | 87.9 | 366.0 | ||||
| 16632 | 4620 | 7.18 | 85.7 | 379.7 | ||||
| 0o | 24048 | 6680 | 4.55 | 86.1 | 346.3 | 475 | ||
| 23220 | 6450 | 5.17 | 87.3 | 374.7 | ||||
| 22248 | 6180 | 5.81 | 88.9 | 396.2 | ||||
| 19980 | 5550 | 6.96 | 88.9 | 426.3 | ||||
| 18252 | 5070 | 7.68 | 84.5 | 452.0 | ||||
| +2o | 25560 | 7100 | 5.08 | 85.8 | 412.4 | 530 | ||
| 24696 | 6860 | 5.67 | 86.9 | 439.1 | ||||
| 23760 | 6600 | 6.25 | 88.9 | 455.2 | ||||
| 21708 | 6030 | 7.27 | 88.0 | 488.7 | ||||
| 19728 | 5480 | 8.00 | 84.9 | 506.6 | ||||
| +4o | 26784 | 7440 | 5.57 | 86.1 | 472.2 | 600 | ||
| 25884 | 7190 | 6.14 | 87.1 | 497.2 | ||||
| 24948 | 6930 | 6.65 | 88.9 | 508.5 | ||||
| 23184 | 6440 | 7.47 | 88.1 | 535.7 | ||||
| 21168 | 5880 | 8.17 | 85.7 | 549.9 | ||||
采購:潛水軸流泵(bèng)、混流泵
*
表示必填(tián)
電話025-57104069
郵箱(xiang)
公司地址江(jiang)蘇省南京市六合(hé)區永甯路46号